EasyManua.ls Logo

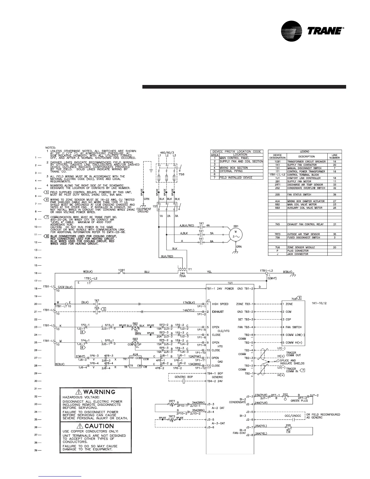
Trane BCVC - Typical Wiring Diagrams: Four-Pipe BCXB with Tracer ZN520 (cont. 4)

Trane BCVC
72 pages
Print Icon
To Next Page IconTo Next Page
To Next Page IconTo Next Page
To Previous Page IconTo Previous Page
To Previous Page IconTo Previous Page
Loading...
BCXC-SVX01A-EN 65
Typical Wiring
DiagramMaintenance
Four-Pipe BCXB with Tracer ZN520
• 460 volt/3 phase • fan status switch
• 3-wire floating point valves • wall-mounted zone sensor
• economizer damper
• condensate overflow

Table of Contents

Other manuals for Trane BCVC

Related product manuals