EasyManua.ls Logo

Trane GECA - Control Wiring Diagrams; Basic Controls Wiring

Trane GECA
68 pages
Print Icon
To Next Page IconTo Next Page
To Next Page IconTo Next Page
To Previous Page IconTo Previous Page
To Previous Page IconTo Previous Page
Loading...
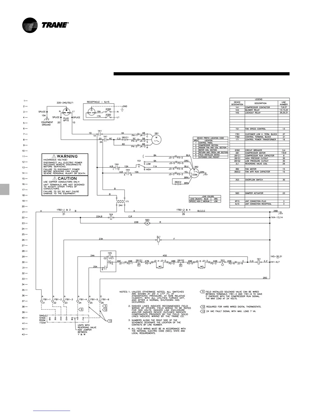
WSHP-PRC004-EN46
Control
Wiring Basic Controls
220-240V/50 HZ/1 PH

Related product manuals