EasyManua.ls Logo

Trane GECA - Deluxe Controls Wiring

Trane GECA
68 pages
Print Icon
To Next Page IconTo Next Page
To Next Page IconTo Next Page
To Previous Page IconTo Previous Page
To Previous Page IconTo Previous Page
Loading...
47
WSHP-PRC004-EN
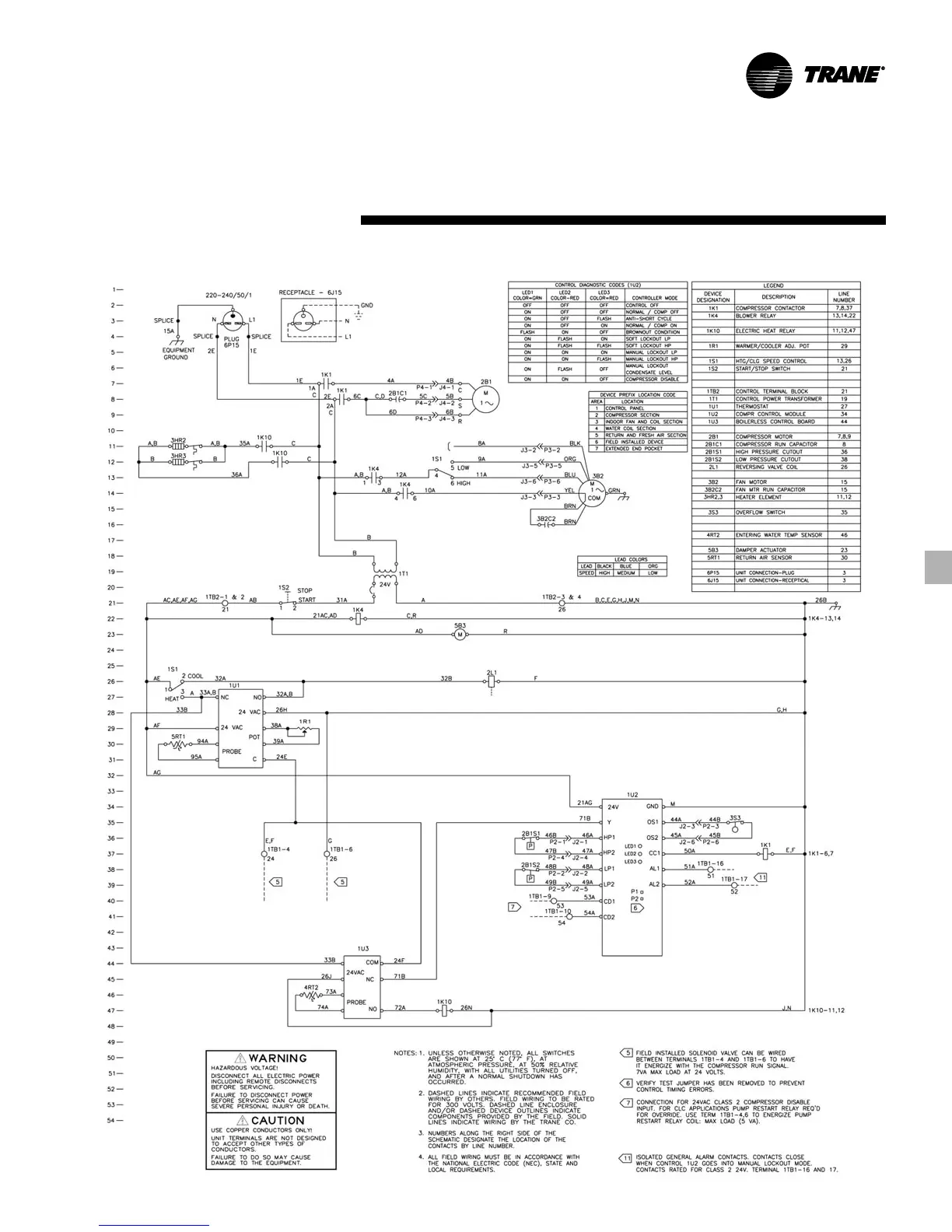
Control
Wiring Deluxe Controls
220-240V/50 HZ/1 PH

Related product manuals