EasyManua.ls Logo

Trane GECA - Tracer ZN.510 Controls Wiring

Trane GECA
68 pages
Print Icon
To Next Page IconTo Next Page
To Next Page IconTo Next Page
To Previous Page IconTo Previous Page
To Previous Page IconTo Previous Page
Loading...
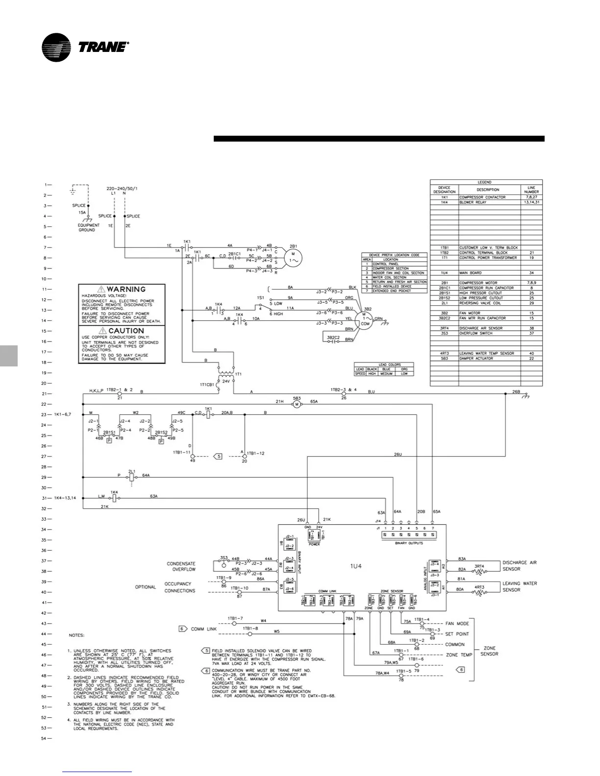
WSHP-PRC004-EN48
220-240V/50 HZ/1 PH
Control
Wiring
Tracer ZN.510
Controls

Related product manuals