EasyManua.ls Logo

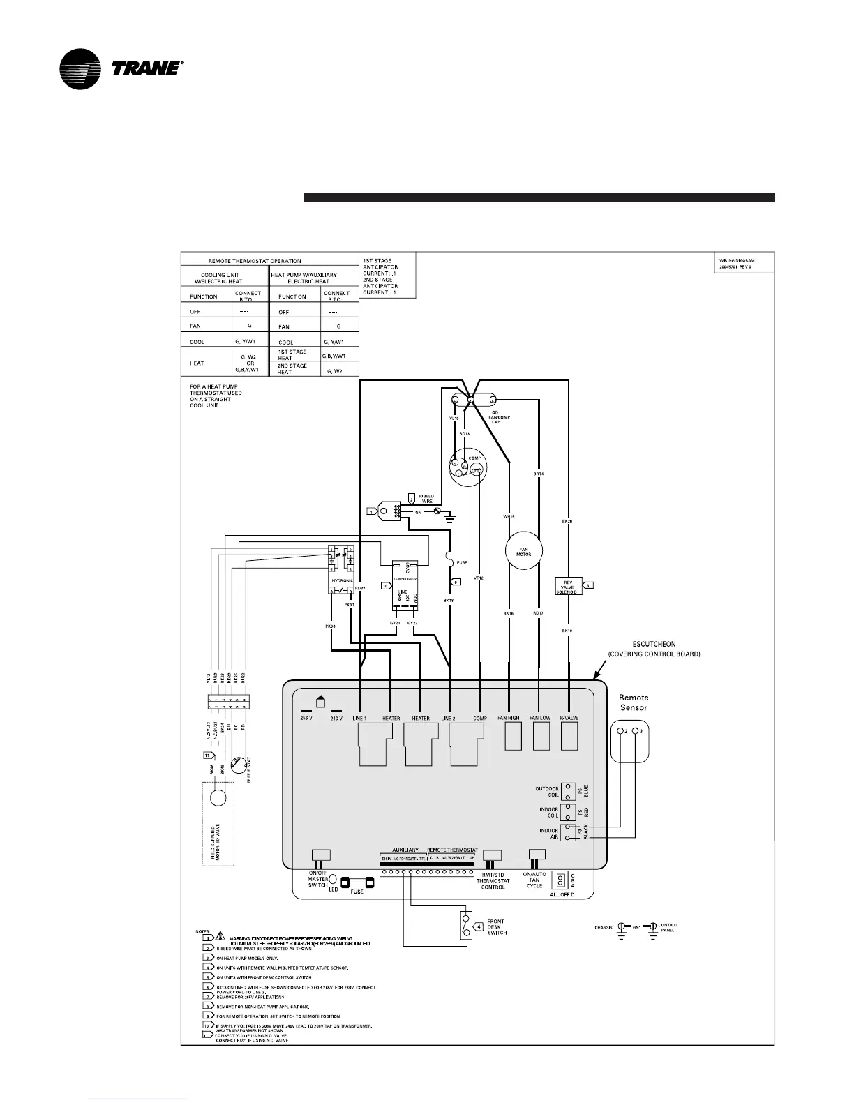
Trane PTEC-070 - Hydronic Unit Schematic

Trane PTEC-070
64 pages
Print Icon
To Next Page IconTo Next Page
To Next Page IconTo Next Page
To Previous Page IconTo Previous Page
To Previous Page IconTo Previous Page
Loading...
PTEC-M-1A
62
Schematic
Diagrams
Hydronic

Related product manuals