EasyManua.ls Logo

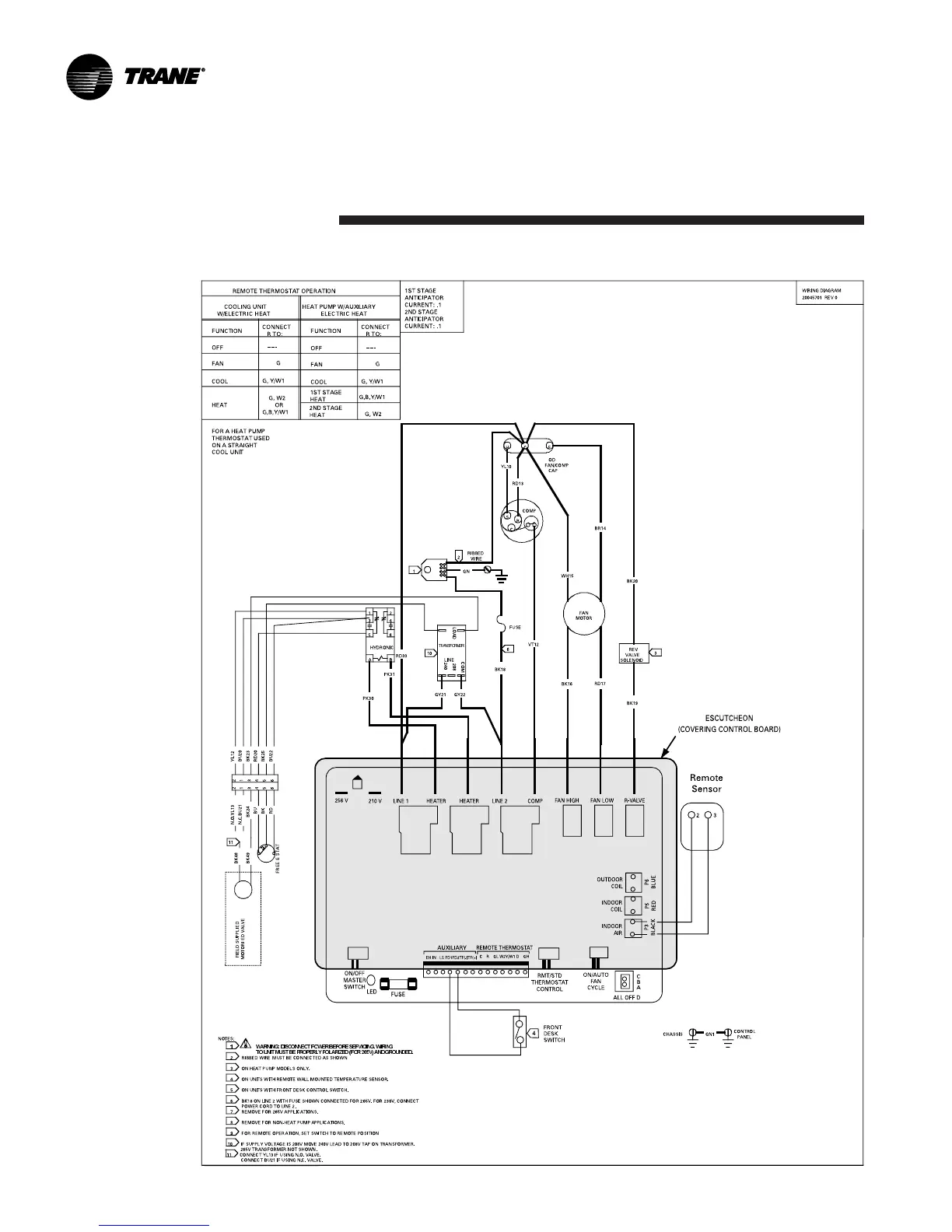
Trane PTEC-150 - Hydronic Unit Wiring Diagram

Trane PTEC-150
64 pages
Print Icon
To Next Page IconTo Next Page
To Next Page IconTo Next Page
To Previous Page IconTo Previous Page
To Previous Page IconTo Previous Page
Loading...
PTEC-M-1A
62
Schematic
Diagrams
Hydronic

Related product manuals