EasyManua.ls Logo

Troy-Bilt 609 - Page 30

Troy-Bilt 609
44 pages
Print Icon
To Next Page IconTo Next Page
To Next Page IconTo Next Page
To Previous Page IconTo Previous Page
To Previous Page IconTo Previous Page
Loading...
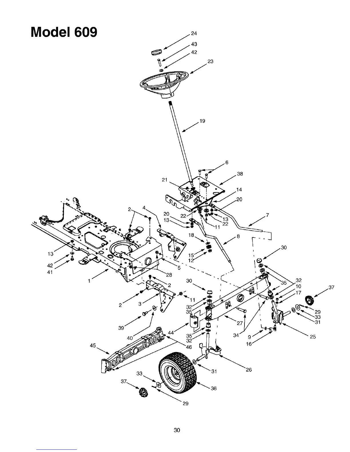
Model 609
32
45
40"
33
29
27
I
_6
31
25
30

Related product manuals