EasyManua.ls Logo

Truma DLE60C - ANNEXE B - Schéma Fonctionnel

Truma DLE60C
140 pages
Print Icon
To Next Page IconTo Next Page
To Next Page IconTo Next Page
To Previous Page IconTo Previous Page
To Previous Page IconTo Previous Page
Loading...
40
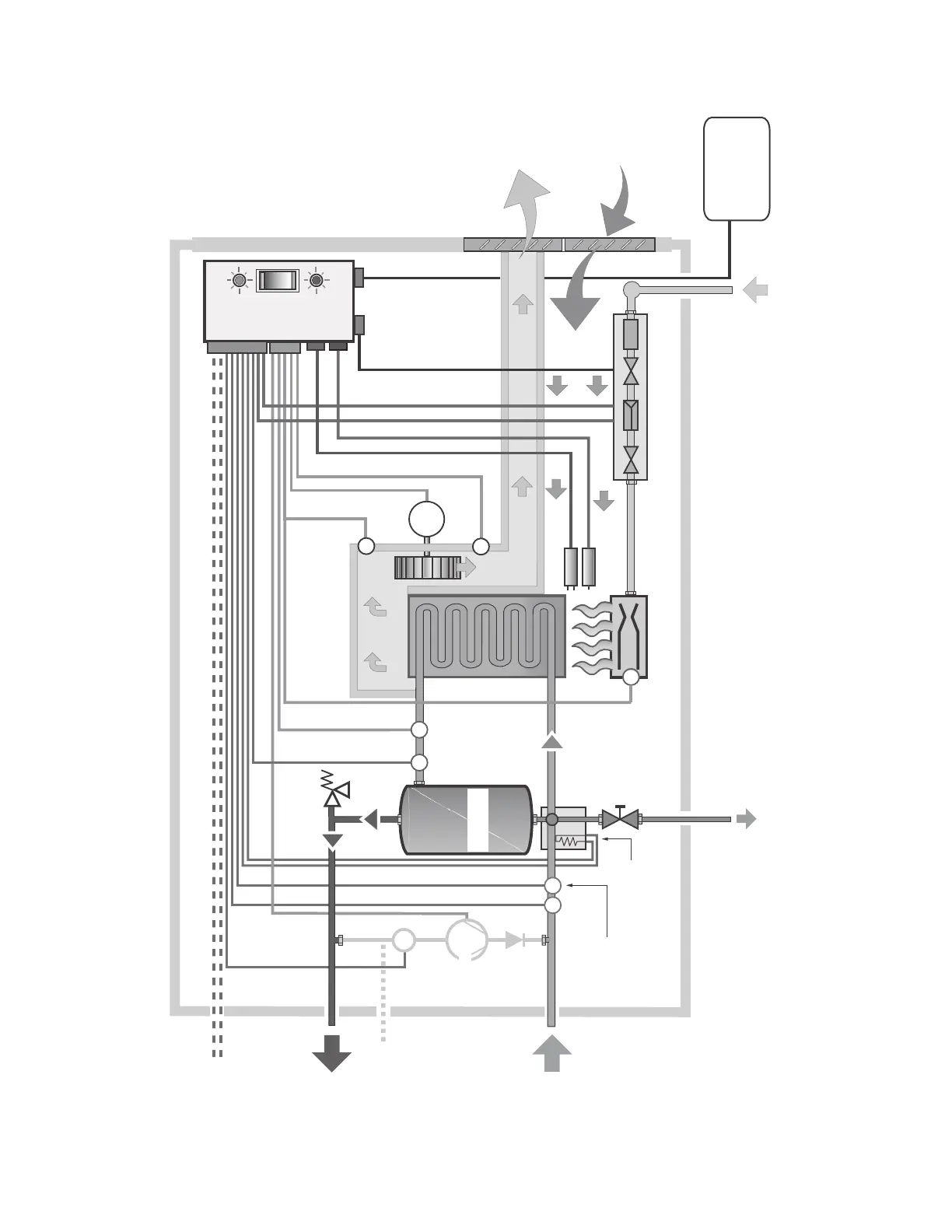
Capteur
de débit
d'eau
Détecteur de
temp. excessive
d'entrée d'eau
Pompe de cir-
culation*
Boîtier
Sortie d'eau
chaude
Mise à la terre
de 12V
Conduite de
circulation**
Sortie d'air
Porte
d'accès
Entrée de
l'air de
combustion
Entrée
du gaz
Commande
Entrée d'eau
froide
MARCHE
DEL 1
Code
d'erreur DEL 2
Interrupteur
d'ALIMEN-
TATION
Clapet de
non-retour*
MOT
Brûleur
Conduite de vidange
Levier de
vidange
Détendeur
Détec-
teur de
temp.
exces-
sive de
sortie
d'eau
Détec-
teur de
temp.
exces-
sive de
l'eau
Détecteur
de temp.
excessive du brûleur
Détecteur de
temp. excessive
d'échappement
Roue du
ventilateur
de tube
de fumée
Ventilateur
de tube
de fumée
Manostat
de sortie
d'air
Soupape
de
sécurité
Filtre
Vanne de gaz
Soupape
de
sécurité
Modulateur
Conduit de fumée
Électrode d'allu-
mage de la flamme
Électrode de
redressement du
courant de la flamme
Échangeur
de chaleur
*
seulement AquaGo comfort et
AquaGo comfort plus
seulement AquaGo comfort plus
**
Stabilisateur
de température
Détecteur de
temp. de la
conduite de
circulation*
Élément
antigel*
(facultatif)
Tableau de
commande * /
diagnostic
ANNEXEB– Schéma fonctionnel
Fig.34

Table of Contents

Other manuals for Truma DLE60C

Related product manuals