EasyManua.ls Logo

TTI QL355 - Interconnection Diagrams

TTI QL355
48 pages
Print Icon
To Next Page IconTo Next Page
To Next Page IconTo Next Page
To Previous Page IconTo Previous Page
To Previous Page IconTo Previous Page
Loading...
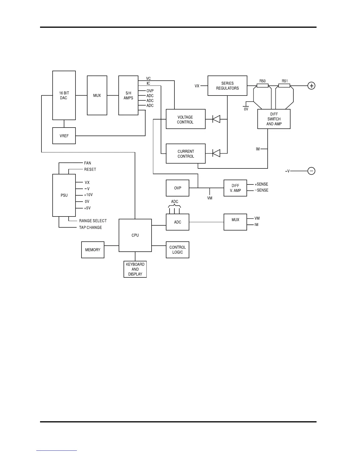
Block Diagram
31

Related product manuals