EasyManua.ls Logo

Unical MODULEX EXT Series - Electrical Wiring and Power Supply

Unical MODULEX EXT Series
52 pages
Print Icon
To Next Page IconTo Next Page
To Next Page IconTo Next Page
To Previous Page IconTo Previous Page
To Previous Page IconTo Previous Page
Loading...
26
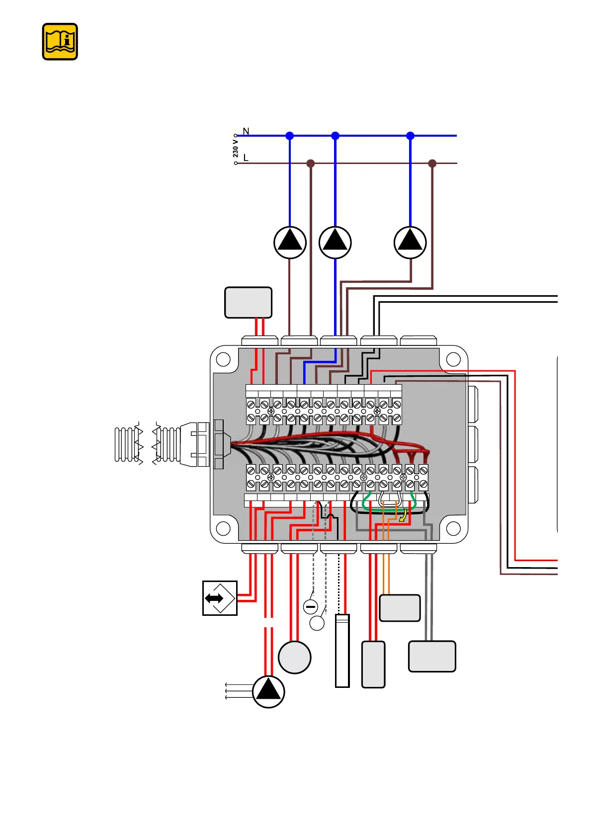
NOTE:
The boiler is set up for direct ow and storage tank
management.
If Stemp. ACC is connected automatically, DHW is
activated, which will have priority management with
regard to direct ow through the pumps shown be-
low.
At the
corresponding
terminal boards
of the boards in
the boiler
678910 11 12 FL TA
Y2 - BCM
12345
FL
SE
TA
Alarm
signal
+
(+) 0-10V
(-) GND
P.
Mod.
C.P. M.
Alim.
230V
Stemp.
ACC
P.
Coll.
P.
CH
P. Car.
DHW
1
2
3
Y5
0
1
2
3
4
5
6
7
8
9
2
3
4
Y3
1
2
3
4
1
5
6
7
Y4
5
4
3
2
1
7
6
5
8
4
3
2
Y2
Y1
1
J1P
SHC
Modbus
INAIL
SAFE
INPUT 0-10V
1
Y3 -BCM
Y2 -HSCP/UFLY
56
843
Y1 -BMM1
432 1
Y4 -BCM
23
INAIL
Modbus
BCM
Ufly
Should additional services be requested (storage tanks, mixed
areas, solar, etc), you must purchase SHC multifunction kits for
full control through the Uy P heating control.