EasyManua.ls Logo

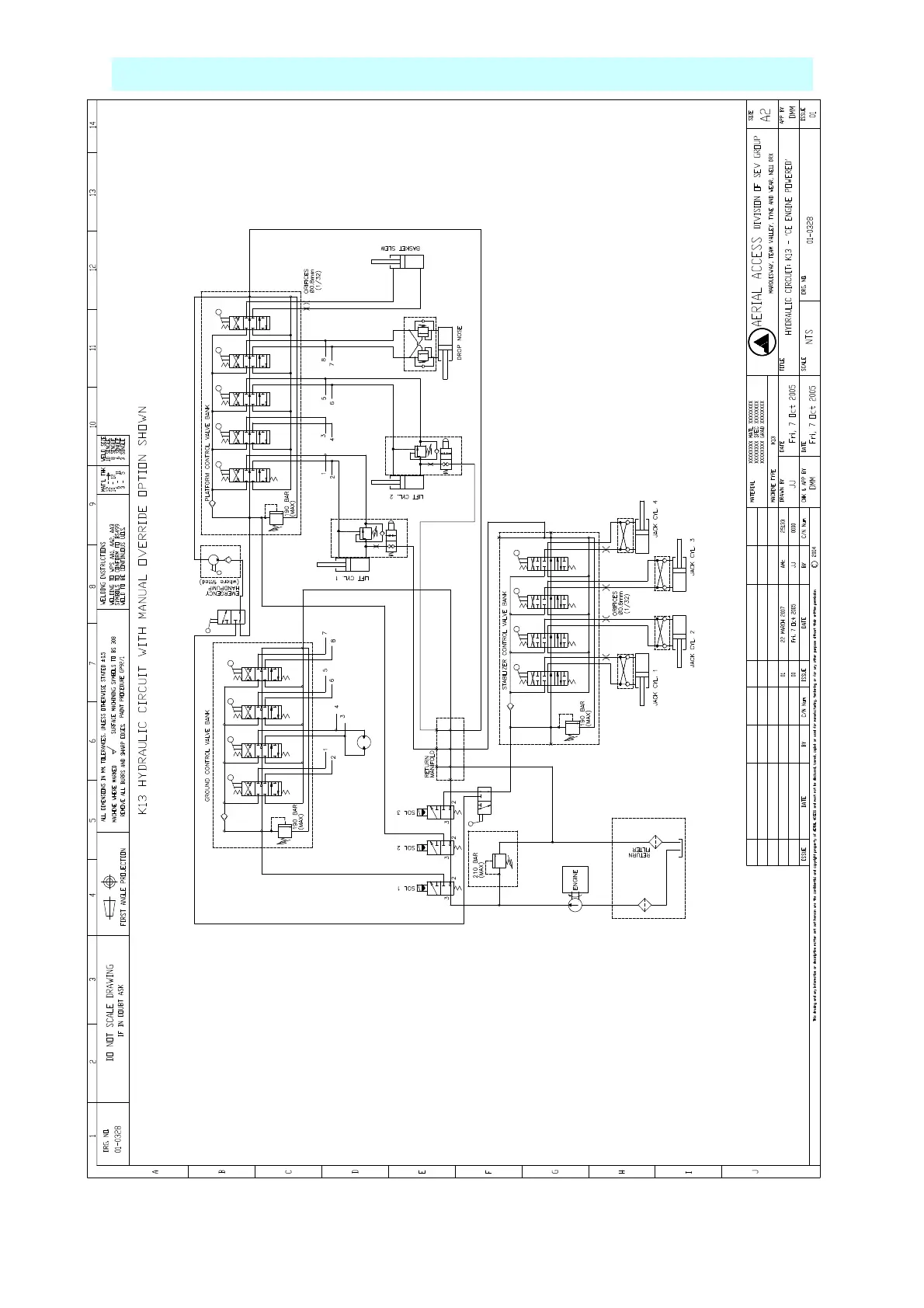
Upright TL37 - Petrol - Hydraulic Flow Diagram

Upright TL37
132 pages
Print Icon
To Next Page IconTo Next Page
To Next Page IconTo Next Page
To Previous Page IconTo Previous Page
To Previous Page IconTo Previous Page
Loading...
33
PETROL - HYDRAULIC FLOW DIAGRAM

Related product manuals