EasyManua.ls Logo

USSC 5660 - Schéma de Câblage

USSC 5660
80 pages
Print Icon
To Next Page IconTo Next Page
To Next Page IconTo Next Page
To Previous Page IconTo Previous Page
To Previous Page IconTo Previous Page
Loading...
37
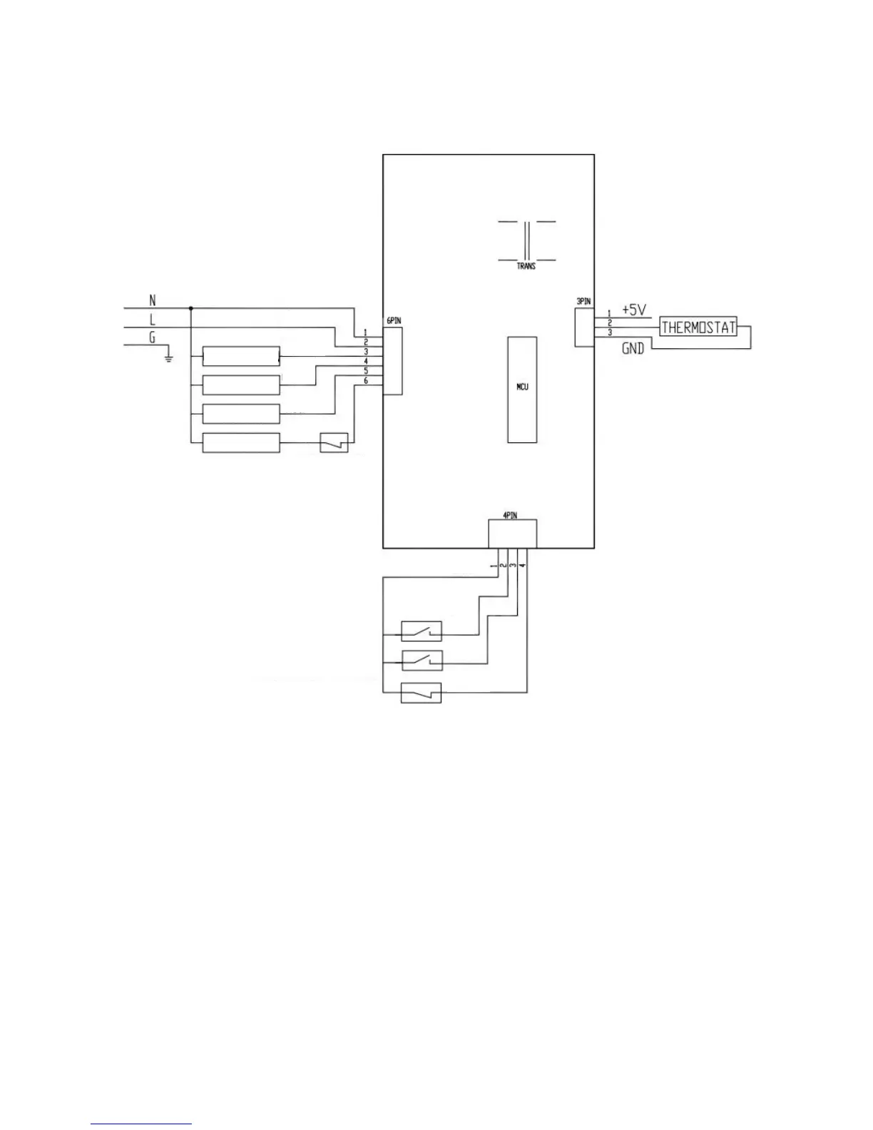
SCHÉMADECÂBLAGE
SECTEUR120V/60Hz
CIRCULATION
ÉVACUATION
ALLUMAGE
VISSANSFIN
INTERVERROUILLAGE
Blanc
Noir
Orange
Vert
Rouge
Jaune
Orange
TERRE
Bleu
Gris
Marron
CONTACTSURDÉPRESSION
CONTACTSURPRÉSENCEDEFEU
CONTACTSURDÉPASSEMENT
DELIMITEHAUTE

Related product manuals