EasyManua.ls Logo

UTICA BOILERS PEG-C - Connecting Supply and Return Piping, Water Chilled Medium

UTICA BOILERS PEG-C
28 pages
Print Icon
To Next Page IconTo Next Page
To Next Page IconTo Next Page
To Previous Page IconTo Previous Page
To Previous Page IconTo Previous Page
Loading...
PAGE 15
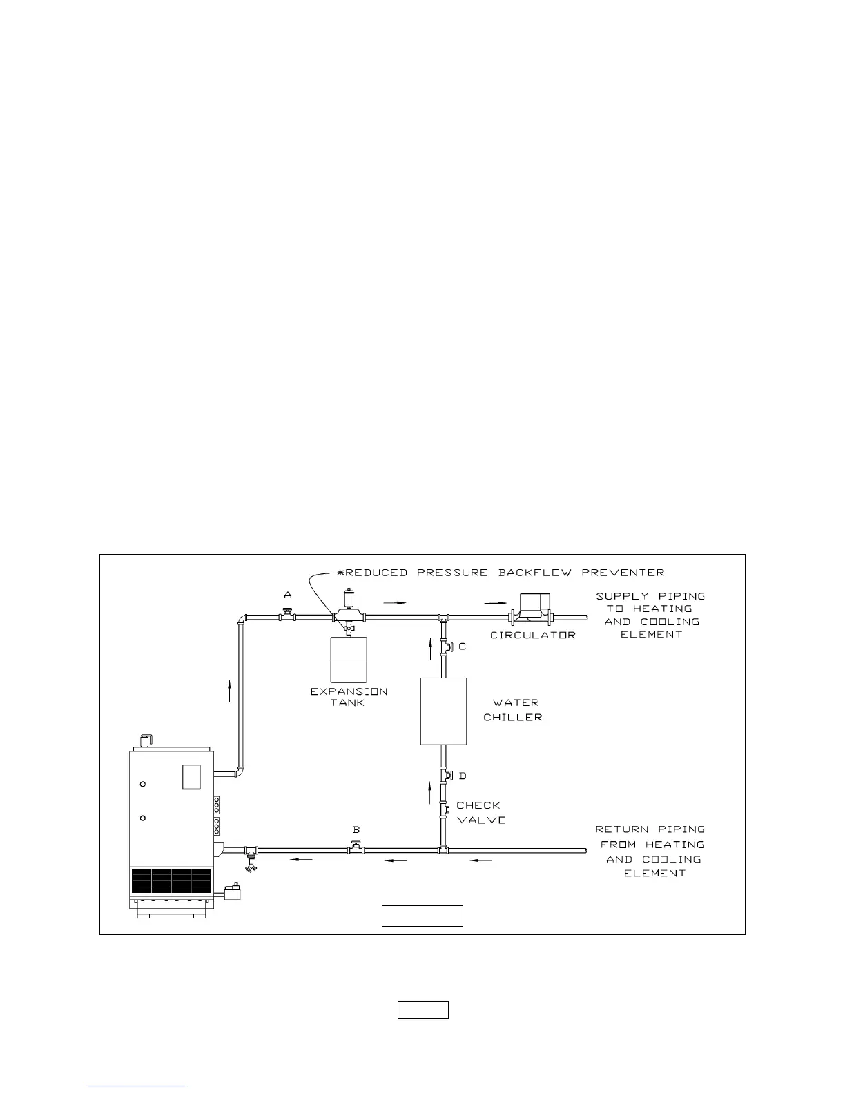
CONNECTING SUPPLY AND
RETURN PIPING, WATER CHILLED MEDIUM
1. When the boiler is used in connection with refrigerated system, connect supply and
return piping as suggested in figure 14 below.
A. The chilled medium MUST BE IN PARALLEL with the boiler.
B. Use appropriate valves to prevent the chilled medium from entering the heating
boiler.
a. During heating cycle open valves A and B. Close valves C and D.
b. During cooling cycle open valves C and D. Close valves A and B.
C. Maintain a minimum clearance of one inch between combustible materials and
hot water pipes.
* Reduced pressure backflow preventer must be present under provisions required by
the Environmental Protection Agency, (EPA).
2. When the boiler is connected to heating coils located in air handling units where they
may be exposed to refrigerated air circulation, the boiler piping system MUST be supplied
with flow control valves or other automatic means to prevent gravity circulation of the boiler
water during the cooling cycle.
3. A hot water boiler installed above radiation level must be provided with a low water
cutoff device either as a part of the boiler or at the time of boiler installation.
4. Suggested piping for steam heating system can be seen in figure 5 on page 5. Actual
piping may vary based on system design and local conditions.
FIGURE 14

Related product manuals