EasyManua.ls Logo

V2 CITY2+ - Reading of Cycle Counter

V2 CITY2+
27 pages
Print Icon
To Next Page IconTo Next Page
To Next Page IconTo Next Page
To Previous Page IconTo Previous Page
To Previous Page IconTo Previous Page
Loading...
ENGLISH
48
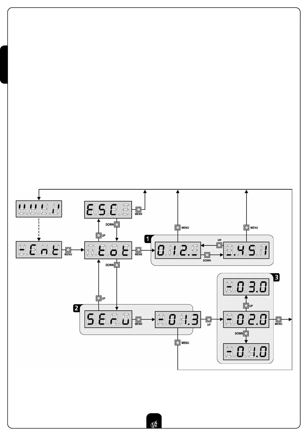
READING OF CYCLE COUNTER
CITY2+ control unit counts the completed opening cycles of the
gate and, if requested, it shows that service is required after a
fixed number of cycles.
There are two counters available:
A totalizing counter for completed opening cycles that
cannot be zeroed (option totof item Cont”)
A downward counter for the number of cycles before the
next request for service (option SErvof item Cont”). This
counter can be programmed according to the desired value.
The side scheme shows how to read the totalizing counter, how
to read the number of cycles before the next service is required as
well as how to program the number of cycles before the next
request for service (as for the example shown, the control unit
completed no. 12451 cycles and there are no. 1322 cycles before
the next service request.
Area 1 is the reading of the total number of completed cycles;
through Up and Down keys, you can alternate the display of
thousands or units.
Area 2 is the reading of the number of cycles before the next
request for service: its value is rounded down to the hundreds.
Area 3 is the setup of this latter counter; if you press once UP or
DOWN key, the current counter value will be rounded up or
down to thousands, any following pressure will have the setup
be increased or decreased of 1000 units. The previous
displayed count will get lost.
Signal of service required
As soon as the counter of cycles before the next request for
service is zero, the control unit shows the request for service
through an additional 5-second pre-blinking.
WARNING: service operations shall be carried out by
qualified staff only. This signal will be repeated at each
opening cycle, until the installer enters into the counter reading
and setup menu, and possibly programs the number of cycles
after which the next service will be requested.
In case no new value is setup (that is to say that the counter
value is left at zero), the signalling function for the service
request will be disabled and no signal will be repeated anymore.

Other manuals for V2 CITY2+

Related product manuals