EasyManua.ls Logo

Valeo TM31 - Page 10

Valeo TM31
47 pages
Print Icon
To Next Page IconTo Next Page
To Next Page IconTo Next Page
To Previous Page IconTo Previous Page
To Previous Page IconTo Previous Page
Loading...
- 8 -
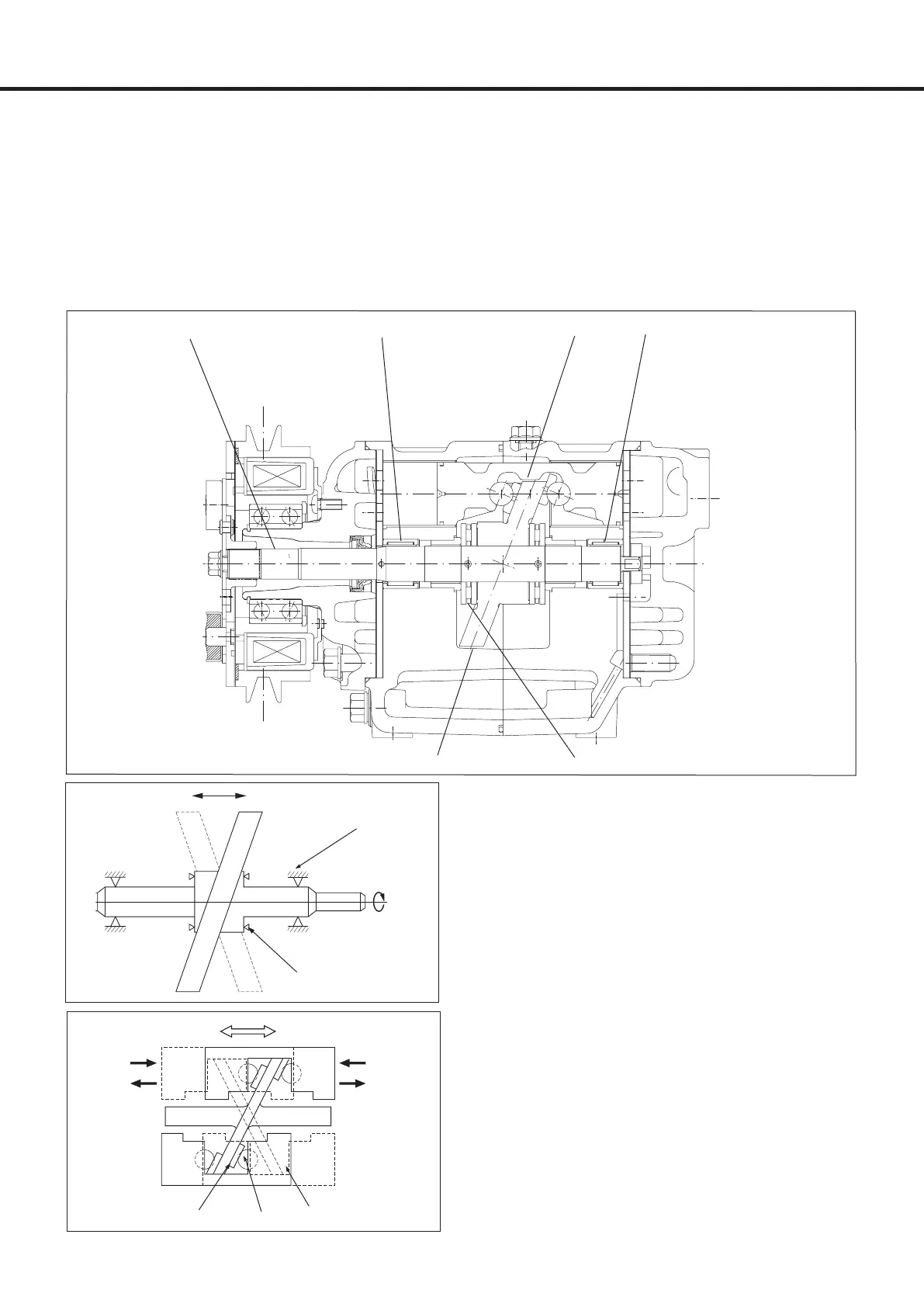
1- Product description - Swash plate system
Valeo TM31 are 10-cylinder swash plate type
compressors. With this type of compressors, the
cylinders and pistons are arranged axially along
the drive shaft.
The pistons operate within the cylinders and
are driven by a swash plate to perform suction,
compression and discharge.
Swash plate system
The drive shaft, which is driven by the engine
through the magnetic clutch, is equipped with a
swash plate.
The drive shaft is supported by two radial bearings
and two thrust bearings.
The swash plate is rotated by the drive shaft, and
moves the pistons back and forth.
Drive shaft Radial bearing
Radial bearingPiston
Thrust bearing
Swash plate
Radial bearing
Thrust bearing
Suction
Compression
Compression
Suction
Ball PistonShoe disk
Piston drive system
The pistons in the cylinders are mounted on the
swash plate through a drive ball and a shoe disk.
Each piston has a compression head at each end.
The rotation of the swash plate rotation results
in a reciprocating piston movement parallel to
the drive shaft.
The cylinders, which are arranged at 72° intervals
around the drive shaft, are each divided into 2
chambers, providing 5 front and 5 rear bores.
As each piston performs suction and compression
at either end, the compressor operates as a 10
cylinder compressor.