EasyManua.ls Logo

VAMP 130 - Page 32

Default Icon
74 pages
Print Icon
To Next Page IconTo Next Page
To Next Page IconTo Next Page
To Previous Page IconTo Previous Page
To Previous Page IconTo Previous Page
Loading...
VAMP 130 Overcurrent and earth-fault relay
Technical Description
VAMP Ltd
6
Vamp 24h support phone : +358 (0)40 573 6316 VM130.EN003
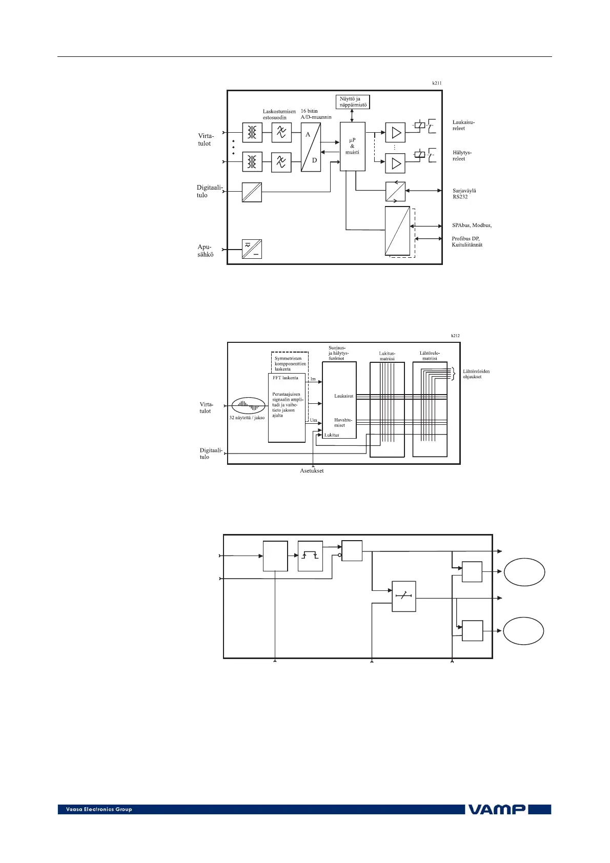
Figure 2.1-1 Principle block diagram of a numerical protection relay.
Figure 2.1-2 Block diagram of a software based function.
ts
tr
&
t
&
&
I
1VISLOHKO
>
Blocking
Setting
I>s
Delay
Enable event
Start
Event
register
Trip
Event
register
Figure 2.1-3 Block diagram of a single-phase protection function.

Table of Contents

Related product manuals