EasyManua.ls Logo

Velocity PHANTOM II - Page 84

Velocity PHANTOM II
100 pages
Print Icon
To Next Page IconTo Next Page
To Next Page IconTo Next Page
To Previous Page IconTo Previous Page
To Previous Page IconTo Previous Page
Loading...
84
PHTM II
Installation, Operating & Service Instructions
110331-01 - 5/20
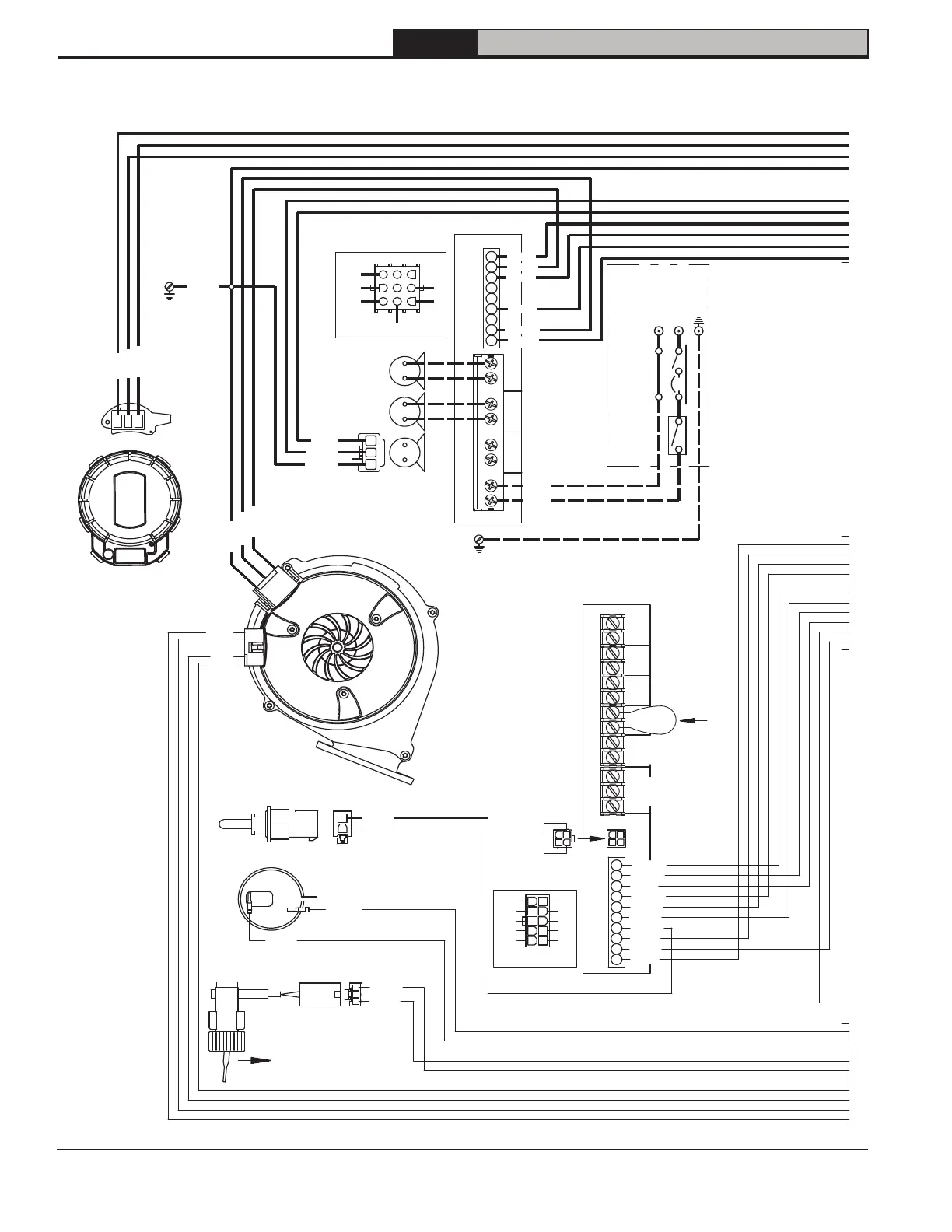
20 Internal Wiring Diagrams (continued)
Combustion Air
Blower
5 RD
6 WH
1
2
4
5
3
2
1
7 BK
8 BL
Boiler
Flow
Switch
Direction
of flow
3
BL
1
BR
3
1
Air
Proving
Switch
NO
C1
12
Thermal Fuse
1 2 3 4 5 6 7 9
8
120 VAC Connections PCB
P1
P1
1
2
3
4 5 6
7
98
GND
L2
L1
Power
Supply
120/60/1
Overcurrent
Protection/
Disconnect
Service
Switch
(optional)
Items supplied by Installer
Boiler
Pump
System
Pump
Auxilliary
Pump
GND Screw
(bottom panel)
3
1
2
RD BK BK
YE
WH WH
GND Screw
(bottom panel)
L N L N L N L N
120V
Line
Boiler
Pump
System
Pump
Aux
Pump
R
Heat
T'stat
W C R W
Aux
T'stat
Ext.
Limit
+ -
0-10V
4-20mA
Header
Sensor
Outdoor
Sensor
P2
24 VAC
LWCO
1 2
3
4
5 6
7
9
8 10
1
2
3 4
GY
Optional 24V LWCO
(Remove Jumper if used)
P2
P/G
P/G
PI
Y/G
OR
10 9 8
7
6
12
3
4
5
YE
GY
YE
GY
BL
Remove Jumper to
connect External Limit
Low Voltage Connections PCB
1
3
2
Three-Way
Valve
9 BK
11 BL
10 BR
14 GR
13 WH
12 BK
13 WH
12 BK
15 GR
5 WH
7 BK
4 WH
8 YE
6 RD
3 BK
36 BL
27 GY
37 GY
37 GY
29 PI
30 P/G
31 YE
32 P/G
33 Y/G
34 OR
35 YE
28 GY
14 B/G
13 BL
10 GY
9b GY
16 GR
To Following PageTo Following PageTo Following Page

Other manuals for Velocity PHANTOM II

Related product manuals