EasyManua.ls Logo

Vertiv Tech NetSure 731 A41-S8 - Appendix 3 Wiring Diagram

Default Icon
44 pages
Print Icon
To Next Page IconTo Next Page
To Next Page IconTo Next Page
To Previous Page IconTo Previous Page
To Previous Page IconTo Previous Page
Loading...
Appendix 3 Wiring Diagram 33
NetSure 731 A41 Subrack Power System User Manual
Appendix 3 Wiring Diagram
MFU DC wiring diagram
MFU
8
Rear top view
13
M225S1X1
User interface board 1
monitor motherboard
M225S
7
18
M34C3C1
Subrack
1
3
2
5-2
W07
2 1
1
2
PL
1
2
1
2
7-J6-9
QFB1
QFB2
7-J6-10
7-J6-8
7-J6-7
18-J2-1
18-J2-2
W80
1
2
7-J7-11
8-PL-2
NPL
8-B-
1
2
1
2
QFD1
QFD2
1
2
QFD3
1
2
QFD8
NPL
1
2
1
2
QFD9
QFD12
PL
0V
To the positive busbar of the module
PE
5
1
BUS+
9
RB
10
KM1
11
KM2
12
2
9-2
1
W80
7-J6-11
7-J6-11
W84
W80
W80
W84
W80
7-J7-4/7-J7-12
9-BUS+-2
12--KM2-1
W84
4
2
W80
Single AC input (with AC SPD)
Front view
1
2
11-KM1-2
W80
W80
7-J7-1
W80
Right view
H5
DC-
DC-
L N
L N L N
L N
J2
J1
J4J3
H2
H1
J13
J11
H3 H4
DC+
U1 U2DC+DC-J12 U3
DC+
U4
DC+
DC-
J14
U11 U12
U13
U14
DC-
DC+
1-2
2-N-1
1-2
J41
CAN+CAN-
J42
CAN+ CAN -
W01
Front top view of the back plat (with the controller and rectifier)
1-2
1-2
W80
8-PL
QFA
1
SPD1
2
L
1 3
2 4
N
L
N-1
PE
COM
NC
NO
W80
7-J7-7
7-J7-8
W01
W01
31-J1-L/31-J2-L/31-J3-L/31-J4-L/3-2
2-N-2
W01
W01
N-2
31-J1-N/31-J2-N/32-J3-N/3 2-J4-N
1-4/3-4
31
W2493ZX1
2
J2
1
2
3
J1
1
7-J7-5
7-J7-6
12-KM2-1
12-KM2-2
8-PL-1
W84
J6
1
2
3
4
5
6
7
8
9
10
11
12
13
14
15
J7
1
2
3
4
5
6
7
8
9
10
11
12
J2
1
2
3
X4-1
CAN-
CAN+
13-J1-1
10-RB-1
10-RB-2
8-QFB1-1
8-QFD
13-J1-5
8-PL-1
9-BUS+-1
18-J1-1
2-COM
2-NC
11-KM1-1
9-BUS+-1
J1
1
8
DO3
DO4
DO5
DO6
J3
J2
W80
W80
13-J1-2
13-J1-3
13-J1-4
13-J1-6
13-J1-7
13-J1-8
W80
8-QFB2-1
W80
18-J2-3
18-J1-2
W84
W80
W80
W80
W80
W80
W80
To subrack PE bar
To SPD PE bar
This diode cintains in the W80 cable
1
2
N L
2-L
3
4
W01W01
2-N-2
QFA2
3
W80
7-J6-2
7-J6-1
31-J42-CAN-
31-J42-CAN+
8-PL-2
J6
J3
15
M2433X2
J7J5
J1 J2 J4
v-
v+
PE
5-4
W06
DCSPD
15-J6
W06
15-J7
W06
8-QFD
W80
door
W80
W80
W80
W01
W01
W0 1
2-N-1
2-N-1
2-N-1
31-H5
W07
5-4
W07
W06
socket
Top view
Note: Connet X4-1 and the cable of the temperature sensor.
To the negative busbar of the module
Pull out the controller
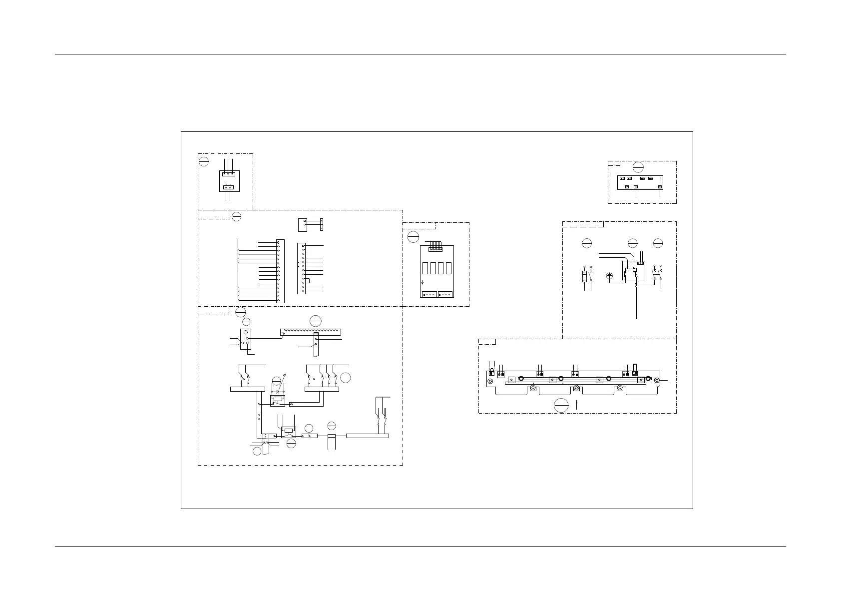
Figure 9 NetSure 731 A41-S1 wiring diagram

Related product manuals