EasyManua.ls Logo

Vetus BOW8024 - Wiring Diagram and Colour Codes

Vetus BOW8024
Print Icon
To Next Page IconTo Next Page
To Next Page IconTo Next Page
To Previous Page IconTo Previous Page
To Previous Page IconTo Previous Page
Loading...
62 2.0525
Operation manual and installation instructions Bow thruster 80 kgf, ø 185 mm
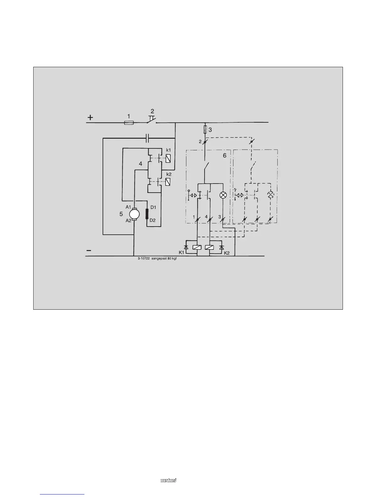
Elektrisch schema
Wiring diagram
Schaltschema
Circuit electrique
Esquema eléctrico
Schema elettrico
1 Hoofdzekering
2 Hoofdschakelaar
3 Stuurstroomzekering
4 Magneetschakelaar
5 Elektromotor
6 Bedieningspaneel
7 Accu
8 Steker
9 Kontrasteker
10 Verlengkabel
11 Dynamo
Kleurcode bedrading:
1 Blauw
2 Rood (+)
3 Zwart (-)
4Wit
1 Main fuse
2 Main switch
3 Control current fuse
4 Solenoid switch
5 Electromotor
6 Control panel
7 Battery
8 Plug
9 Socket
10 Extension cable
11 Alternator
Wiring colour code:
1 Blue
2 Red (+)
3 Black (-)
4 White
1 Hauptsicherung
2 Hauptschalter
3 Steuerstromsicherung
4 Relais
5 Elektromotor
6 Bedienungspaneel
7 Batterie
8 Stecker
9 Kontrastecker
10 Zwischenkabel
11 Lichtmaschine
Farbkode für die Bedrahtung:
1Blau
2 Rot (+)
3 Schwarz (-)
4 Weiß

Table of Contents

Related product manuals