EasyManua.ls Logo

VEVOR MM4113 - Parts Diagram

VEVOR MM4113
17 pages
Print Icon
To Next Page IconTo Next Page
To Next Page IconTo Next Page
To Previous Page IconTo Previous Page
To Previous Page IconTo Previous Page
Loading...
- 12 -
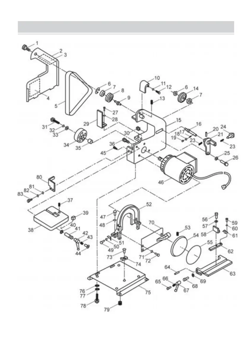
PARTS DIAGRAM

Related product manuals