EasyManua.ls Logo

VEVOR MX-S716G - WIRING DIAGRAM

VEVOR MX-S716G
24 pages
Print Icon
To Next Page IconTo Next Page
To Next Page IconTo Next Page
To Previous Page IconTo Previous Page
To Previous Page IconTo Previous Page
Loading...
- 18 -
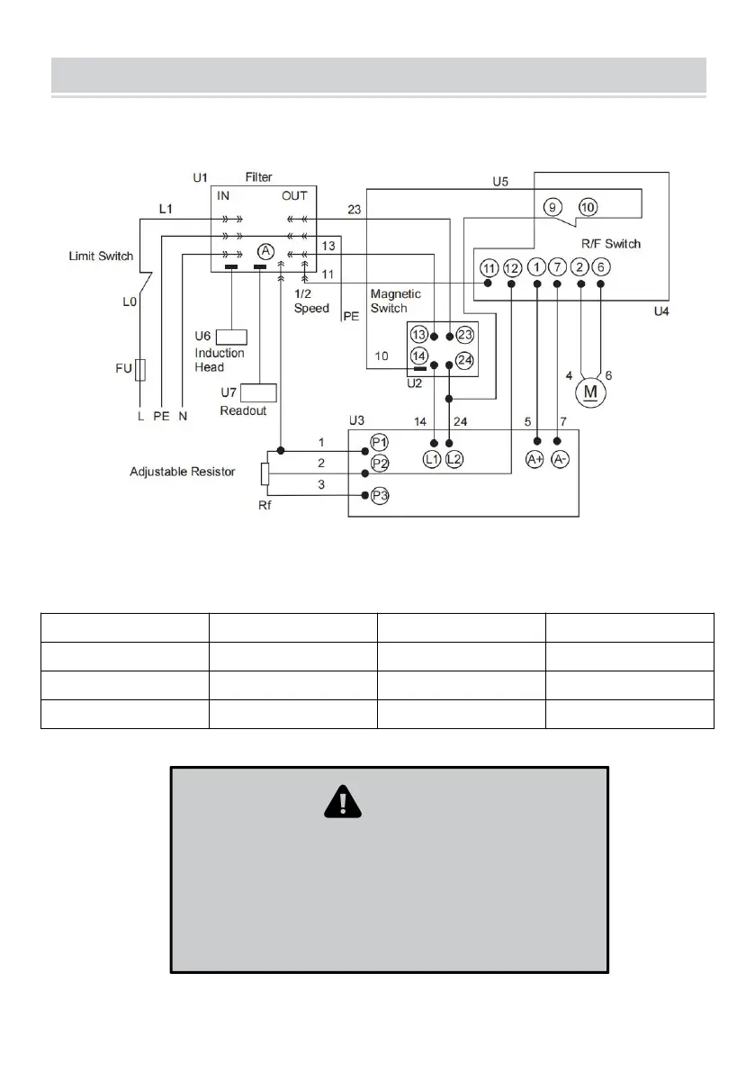
WIRING DIAGRAM
Key
A
Ammeter
PE
Ground Line
M
Motor
U
Integrated Circuit
L
Load Wire
P
Connector
N
Neutral Wire
FU
Fuse
WARNING!
Connection of the lathe and all other electrical
work may only be carried out by an authorized
electrician!
Failure to comply may cause serious injury and
damage to the machinery and property!

Related product manuals