EasyManua.ls Logo

Victron energy MultiPlus-II 12|3000|120-50 - Appendix B: Block diagram

Victron energy MultiPlus-II 12|3000|120-50
39 pages
Print Icon
To Next Page IconTo Next Page
To Next Page IconTo Next Page
To Previous Page IconTo Previous Page
To Previous Page IconTo Previous Page
Loading...
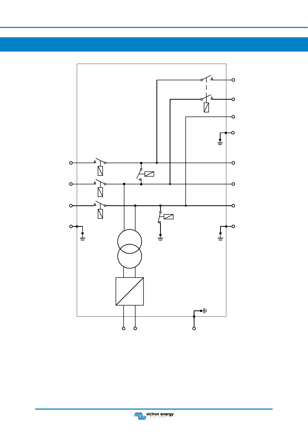
Appendix B. APPENDIX B: Block diagram
+ -
~
=
L2
L1
N
PE
L2
L1
N
PE
L2
L1
N
ACout1
AC in
ACout2
PE
PE
Battery
* See table in Chapter 4.2 ‘Recommended DC fuse’
MultiPlus-II 12|3000|120-50 2x120V
Page 28 APPENDIX B: Block diagram

Table of Contents

Related product manuals