EasyManua.ls Logo

Victron energy MultiPlus-II 48/5000/70-50 230V GX - Block Diagram; Charge Algorithm

Victron energy MultiPlus-II 48/5000/70-50 230V GX
26 pages
Print Icon
To Next Page IconTo Next Page
To Next Page IconTo Next Page
To Previous Page IconTo Previous Page
To Previous Page IconTo Previous Page
Loading...
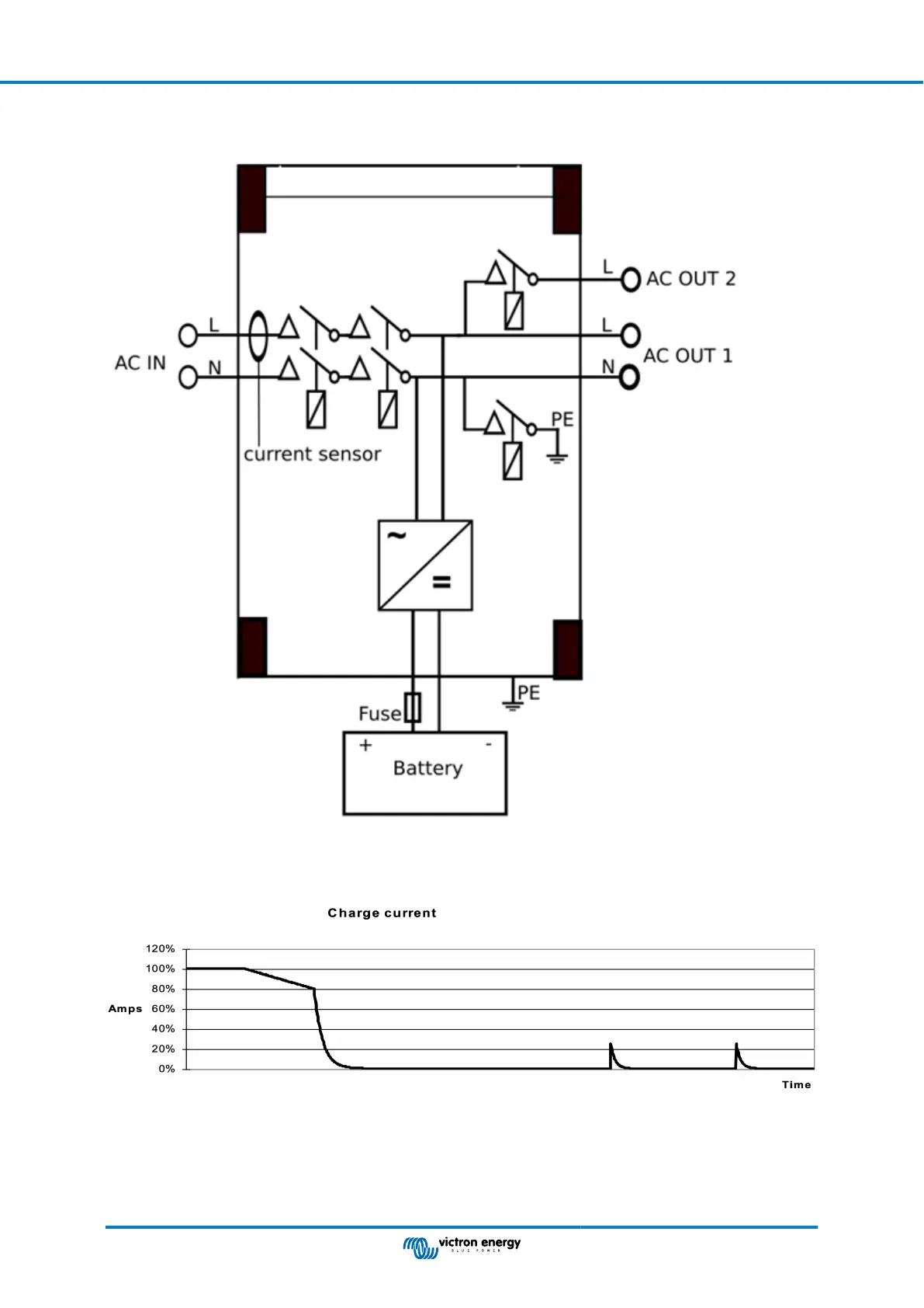
9.2. Block diagram
9.3. Charge algorithm
MultiPlus-II inverter/charger off-grid Australia
Page 21 Appendix

Related product manuals