EasyManua.ls Logo

Viessmann Vitolig 200 - Electrical Connection Diagrams

Viessmann Vitolig 200
65 pages
Print Icon
To Next Page IconTo Next Page
To Next Page IconTo Next Page
To Previous Page IconTo Previous Page
To Previous Page IconTo Previous Page
Loading...
5 Vitolig 100
L
N
S0
S1
S2
S3
M2
...Sn
Mn
M1
S1
M2
S3
M1
blue
brown
NL
S0
111412
Contact designation S1
11
1412
S2
grn./yell.
60
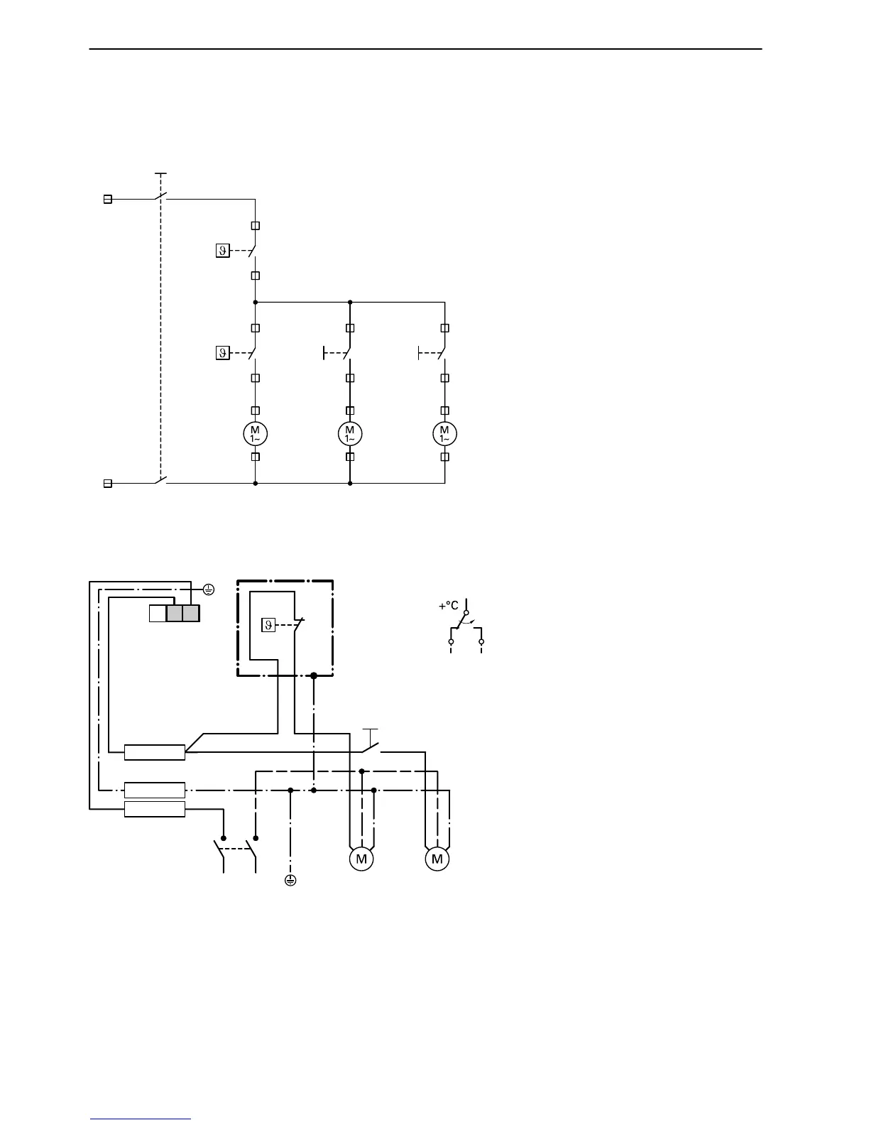
Electrical connection diagram for minimum temperature regulator, heating circuit pumps and DHW circulation pump
S1 Minimum temperature regulator,
integrated into Vitolig 100
(contact closed above 60ºC)
S2 DHW cylinder thermostat
S3 − Sn Heating system pump switch
M1 DHW circulation pump
M2 − Mn Heating circuit pump
S0 Mains electrical isolator
Electrical wiring diagram for minimum temperature regulator, heating circuit pumps and DHW circulation pump
5822241 GB