EasyManua.ls Logo

Viessmann VITOPEND 200 - Page 103

Viessmann VITOPEND 200
128 pages
Print Icon
To Next Page IconTo Next Page
To Next Page IconTo Next Page
To Previous Page IconTo Previous Page
To Previous Page IconTo Previous Page
Loading...
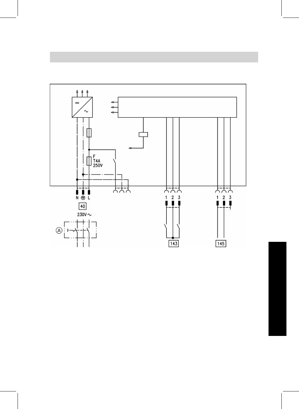
External extension H2
The external extension is connected
to the boiler control unit via the KM
BUS. The following functions can be
controlled or processed simulta-
neously via the extension:
A ON/OFF switch (on site)
Power supply
aVD
&
External blocking
&
(terminals 2 - 3)
&
External demand
&
(terminals 1 - 2)
&
External heating program
changeover (terminals 1 - 2)
(only for weather-compen-
sated operation)
&
The allocation of function
"External heating program
changeover" is set via coding
address "91".
aVG KM BUS
Extensions for external connections . . . (cont.)
103
Function description
5862 831 GB
Service

Table of Contents

Other manuals for Viessmann VITOPEND 200

Related product manuals