EasyManua.ls Logo

Viessmann WB1A007 - Page 30

Viessmann WB1A007
76 pages
Print Icon
To Next Page IconTo Next Page
To Next Page IconTo Next Page
To Previous Page IconTo Previous Page
To Previous Page IconTo Previous Page
Loading...
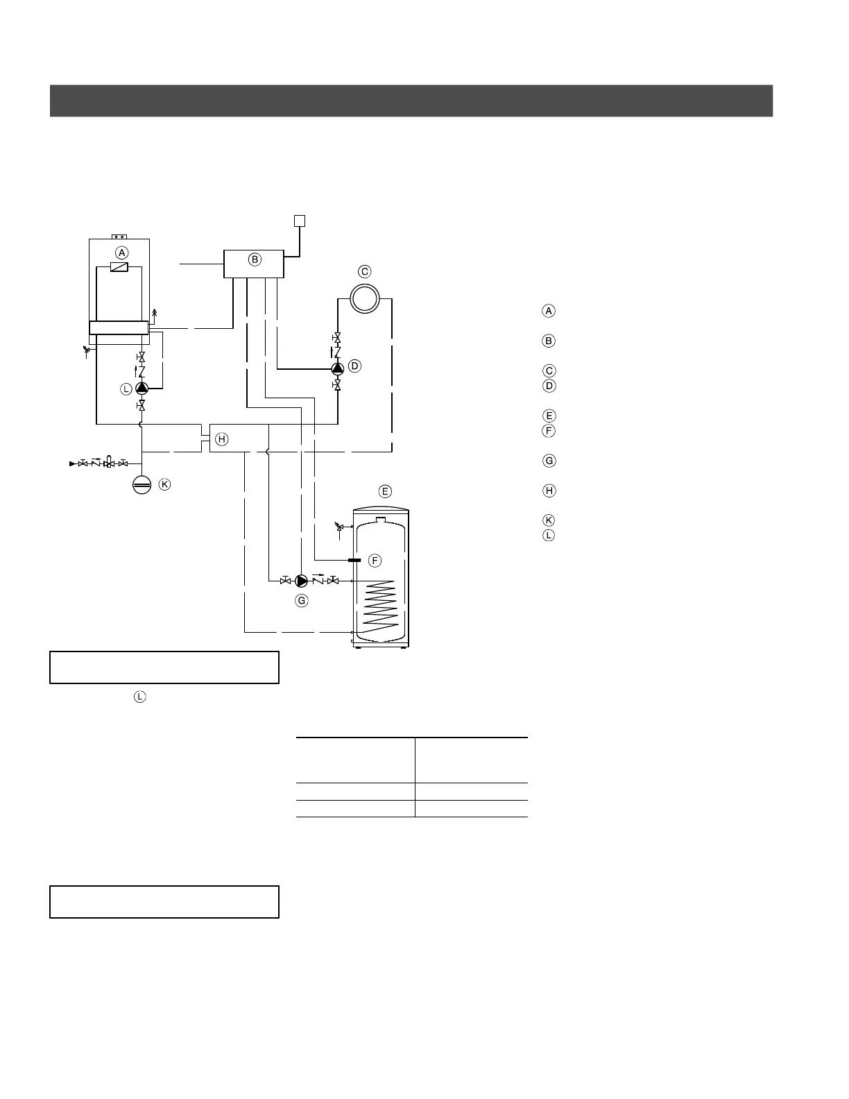
Boiler Connections
30
Installation Examples
(continued)
System Layout 3
Vitodens 100-W, WB1A 8-24, 8-30 with...
DHW storage tank
one heating circuit
Primary pump must pump into
the boiler (as illustrated).
AV Air vent
PRVPressure relief valve
TPVTemperature and pressure relief
valve
Vitodens 100-W gas-fired
condensing boiler
External boiler/DHW controller
(field supplied)
Heating circuit
Heating circuit pump
(field supplied)
DHW storage tank
DHW tank temperature aquastat or
sensor
DHW circulating pump
(field supplied)
Closely spaced tees, 4xpipe Ø
or 12” /305mm
*
Expansion tank
Primary pump (boiler circuit, field
supplied)
*
A low-loss header offers additional
benefits not provided by a pair of
closely spaced tees. Viessmann
strongly recommends and prefers the
use of a low-loss header over closely
spaced tees.
Please see page 36 for details.
Please note!
The use of a low-loss header is
recommended if the water flow rate is
less than 1.7 GPM / 400 ltr/h or more
than 6.2 GPM / 1400 ltr/h.
The low-loss header is available as
accessory part.
See page 36 in this manual for details
on the low-loss header.
Model No.
Vitodens 100-W,
Max. flow rate
(GPM/ltr/h)
WB1A 8-24 6.2/1400
WB1A 8-30 6.2/1400
DHW supply and return piping between boiler DHW connections and the Viessmann DHW tank connections, shall be a
minimum of 1” nominal pipe diameter (irrespective of the ¾” DHW connection outlet sizes provided on the boiler and the
DHW tank). This will ensure pump head is fully utilized to overcome the resistance of the DHW heat exchanger coil and to
provide sufficient water flow to the boiler heat exchanger.
In non-Viessmann DHW tank applications, perform, in addition to the above, accurate calculations for DHW tank coil
pressure drop versus boiler pump head to ensure sufficient water flow to the boiler heat exchanger. Failure to heed the
above instructions may cause boiler short-cycling and inadequate DHW supply.
5581 775 1.3
AV
PRV
TPV
Y
Y
4xpipe Ø
or 12 /305mm
IMPORTANT
IMPORTANT

Related product manuals