EasyManua.ls Logo

Vigia NM343 - Pneumatic and Electrical Connections; Module Connector Guide; System Wiring Diagram

Default Icon
47 pages
Print Icon
To Next Page IconTo Next Page
To Next Page IconTo Next Page
To Previous Page IconTo Previous Page
To Previous Page IconTo Previous Page
Loading...
35
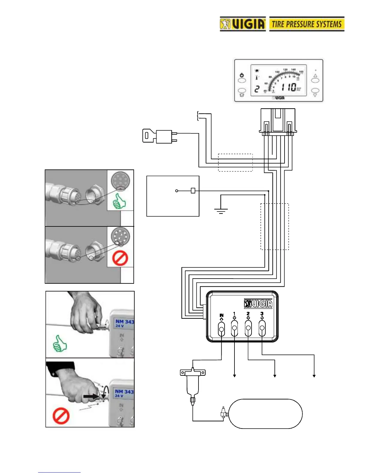
3 – PNEUMATIC AND ELECTRICAL CONNECTIONS
+
GREEN
BLACK
WHITE-R
AIR TANK
ORIGINAL FUSE BOX
RED
YELLOW
TO SATELLITE
MODULE
AIR
FILTER
IGNITIÓN KEY
CIRCUIT 1
TO TIRES
4 x 0.35 + 2 x 0.75
CONTACT
POINT
FUSE 3A
3 x 0.35
GREEN-R
FREE
YELLOW
GREEN
WHITE-R
YELLOW-R
GREEN
YELLOW
GREEN-R
BLUE-R
BLUE
GREEN
YELLOW
YELLOW-R
Very Important: Match the guide
in the connector plug to that in the
module socket.
Do not force this connection.
CIRCUIT 2
TO TIRES
CIRCUIT 3
TO TIRES
PROTECTION
VALVE