EasyManua.ls Logo

Viking VCSB360 - Page 49

Viking VCSB360
63 pages
Print Icon
To Next Page IconTo Next Page
To Next Page IconTo Next Page
To Previous Page IconTo Previous Page
To Previous Page IconTo Previous Page
Loading...
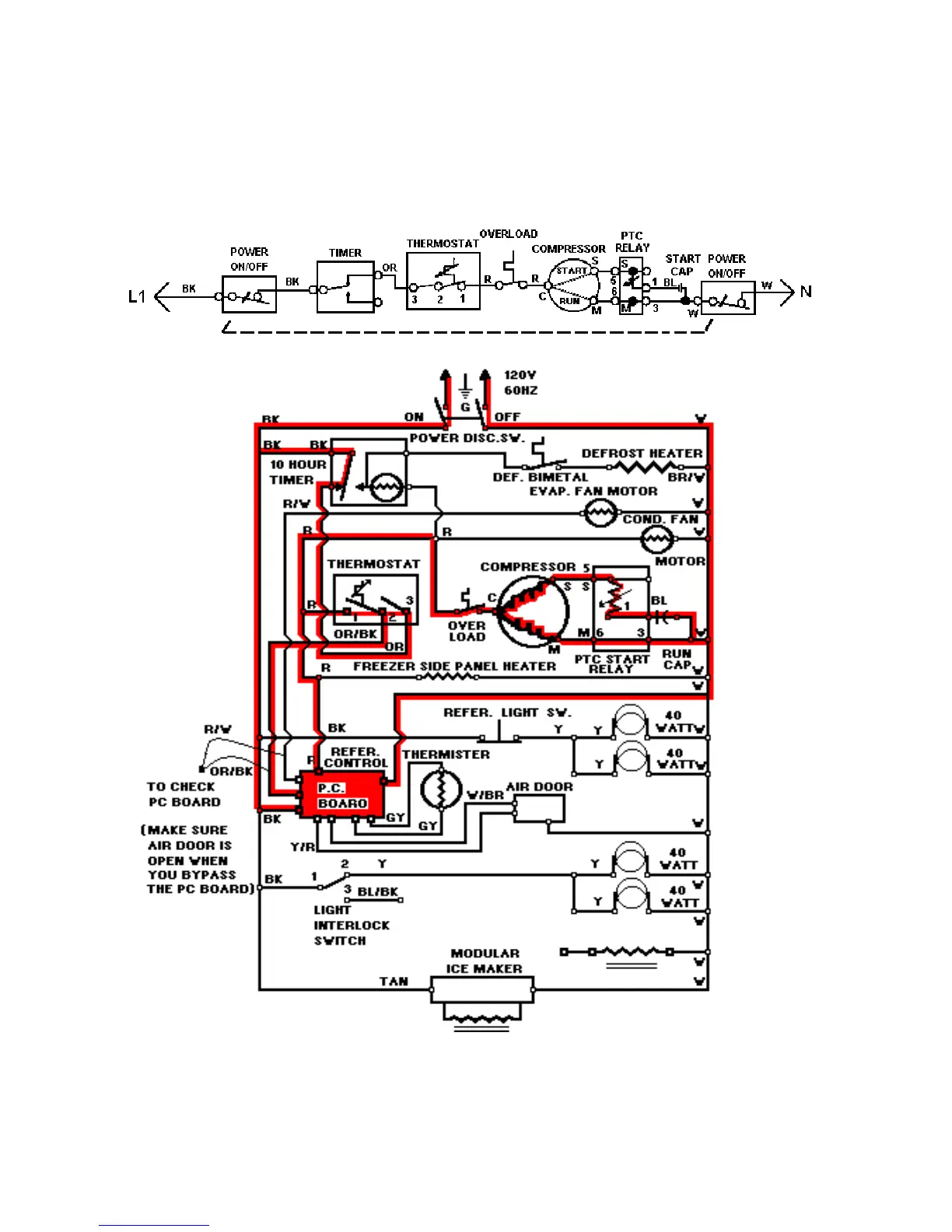
LINE CIRCUITS (# 4)
The Cooling Cycle
4. Freezer Thermostat Calling For Cooling--
Compressor Circuit At Instant Start
WATER VALVE
49

Related product manuals