EasyManua.ls Logo

Viking VCSB360 - Page 51

Viking VCSB360
63 pages
Print Icon
To Next Page IconTo Next Page
To Next Page IconTo Next Page
To Previous Page IconTo Previous Page
To Previous Page IconTo Previous Page
Loading...
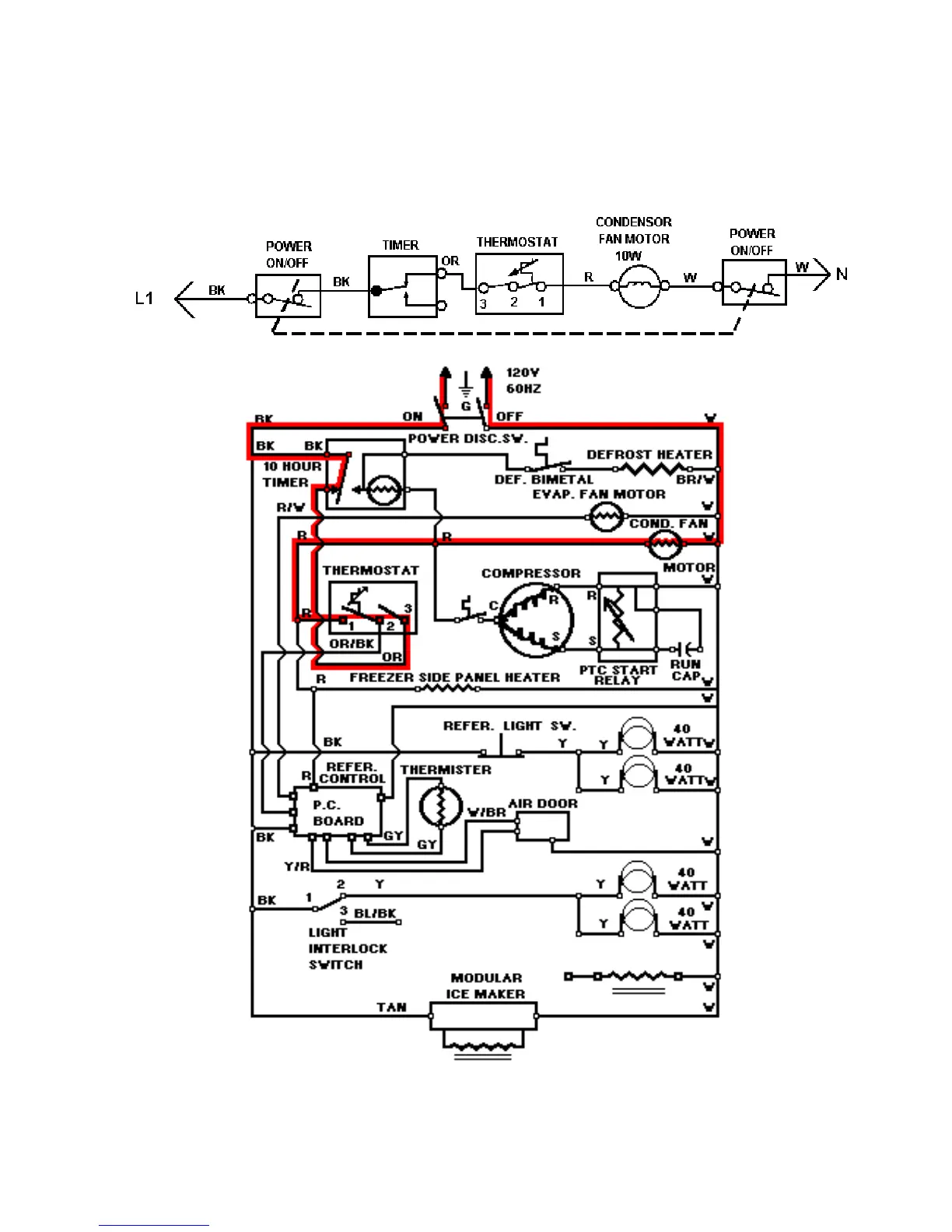
LINE CIRCUITS (# 6)
The Cooling Cycle
6. Freezer Thermostat Calling For Cooling – Condenser Fan Motor Circuit
WATER VALVE
51

Related product manuals