EasyManua.ls Logo

Viking VCSB360 - Page 55

Viking VCSB360
63 pages
Print Icon
To Next Page IconTo Next Page
To Next Page IconTo Next Page
To Previous Page IconTo Previous Page
To Previous Page IconTo Previous Page
Loading...
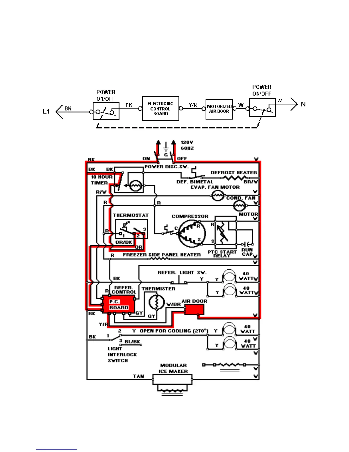
LINE CIRCUITS (# 10)
The Cooling Cycle
10. Refrigerator Control Calling For Cooling -- Motorized Air Door Opening
WATER VALVE
55

Related product manuals