EasyManua.ls Logo

Viper AS7690T-US - Schéma de Câblage

Viper AS7690T-US
93 pages
Print Icon
To Next Page IconTo Next Page
To Next Page IconTo Next Page
To Previous Page IconTo Previous Page
To Previous Page IconTo Previous Page
Loading...
INSTRUCTIONS D’UTILISATION
FRANÇAIS
43
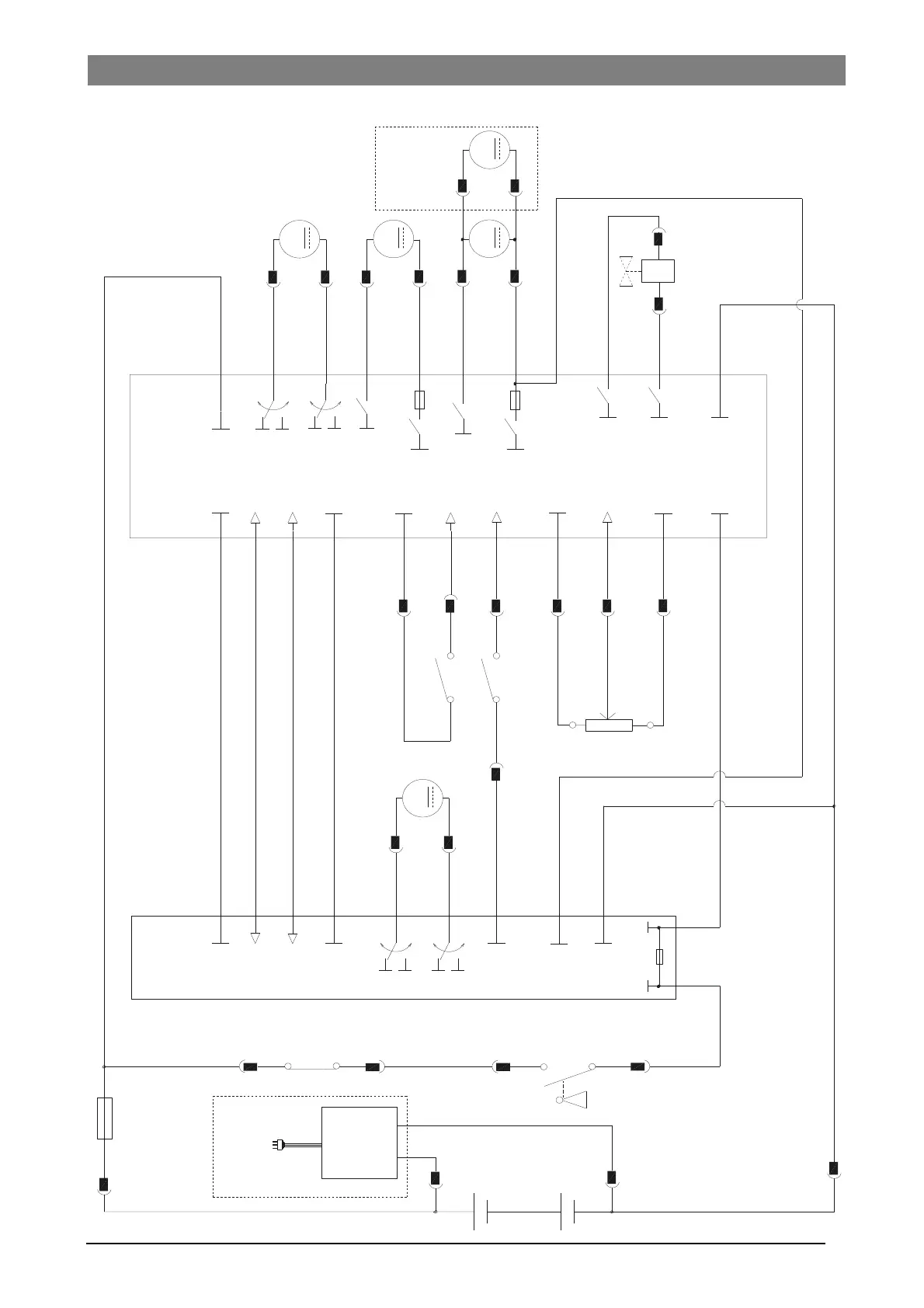
EB1
Main
Controller
EB2
J5
J6
J7
J3
J8
J4
Controller
(KCCA0266)
J1
J2
B+
SW
SW
Traction Motor
Vacuum Motor
Brush Motor
Solution Valve
B+
B-
B+
P2-5
P2-2
B+
B-
P3-2
P3-4
P3-3
P3-1
P1-8
P1-4
P1-3
P1-6
P1-2
P1-5
P1-1
P2-2
P2-4
P2-3
P2-1
P1-4
P1-1
P1-2
P1-3
P1-6
+24V
Detergent
ADJ
5K
Moving
Output
Signal
Reverse
Output
B-
+24V
+24V
B-
B-
CAN
H
CAN
L
CAN
H
CAN
L
B-
B-
Brush Actuator
BAT
24V
C1a
C1b
C2
C3
C4
C5
C6a
C6b
C6c
RED
RED
RED
RED
RED
RED
RED
RED
REDRED
RED
RED
GRAY
C7
C8
C9b
C9a
Key
Switch
Fuse 100A
B+
B-
B+
B-
+3.3V
B-
B+
B-
B+
B-
B-
B-
M1
M2
M3
M4
Fuse 80A
Fuse 40A
M3
C12a
C12b
Battery Charger
(Optional)
+
-
DC
AC
Just For
Brush Disc
Version
B+
C10
C11
Charging
Switch
RED
BLACK
BLACK
BLACK
BLACK
BLACK
BLACK
BLACK
BLACK
BLACK
BLACK
BLACK
YELLOW
YELLOW
WHITE
GREEN
GREEN
GREEN
GREEN
ORANGE
ORANGE
BROWN
BROWN
BROWN
BROWN
BLUE
BLUE
BLACK
BLUE
BLUE BLUE
BLUE
PURPLE
PURPLE
C13a
C13b
C14a
C14b
C15a
C15b
C16a
C16b
C17
C18
BLACK
BLACK
BLACK
RED
RED
BLACK
BLACK
RED
RED
EV1
VR1
F1
CH1
K1
K2
PTC
B+
+24V
RED
F3
F2
SCHÉMA DE CÂBLAGE

Table of Contents

Related product manuals