EasyManua.ls Logo

Vivotek NR8201 - Page 5

Vivotek NR8201
64 pages
Print Icon
To Next Page IconTo Next Page
To Next Page IconTo Next Page
To Previous Page IconTo Previous Page
To Previous Page IconTo Previous Page
Loading...
VIVOTEK - A Leading Provider of Multimedia Communication Solutions
User's Manual - 5
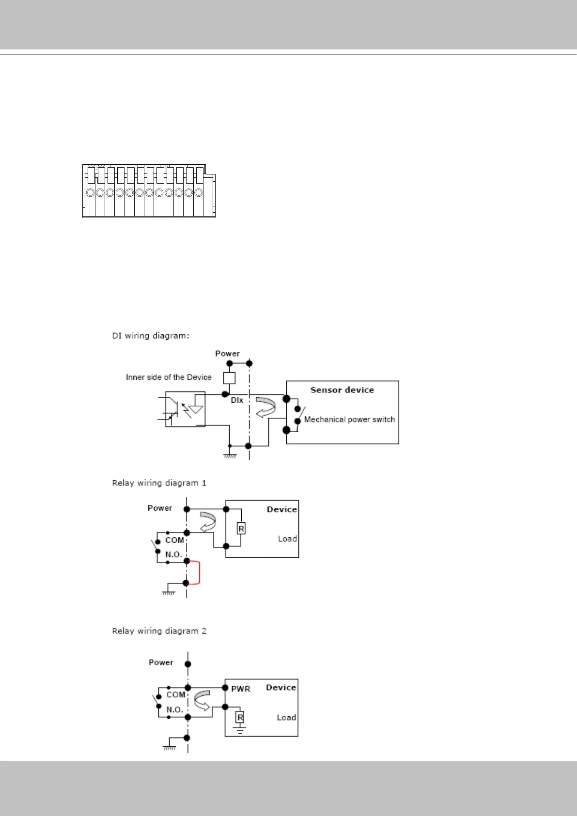
1 2 3 4 5 6 7 8 9 10 11 12
1: Power
2: Relay output COM
3: Relay output N.O.
4: Digital Input 1
5: Digital Input 1 Ground
6: Digital Input 2
7: Digital Input 2 Ground
8: Digital Input 3
9: Digital Input 3 Ground
10: Digital Input 4
11: Digital Input 4 Ground
12: Ground
General I/O Terminal Block
This Network Camera provides a general I/O terminal block which is used to connect external
input / output devices. The pin denitions are described below.
DI/DO Diagram
Refer to the following illustration for connection method.

Other manuals for Vivotek NR8201

Related product manuals