EasyManua.ls Logo

Volvo Penta D5A - D5 A TA HE Genset Engine

Volvo Penta D5A
116 pages
Print Icon
To Next Page IconTo Next Page
To Next Page IconTo Next Page
To Previous Page IconTo Previous Page
To Previous Page IconTo Previous Page
Loading...
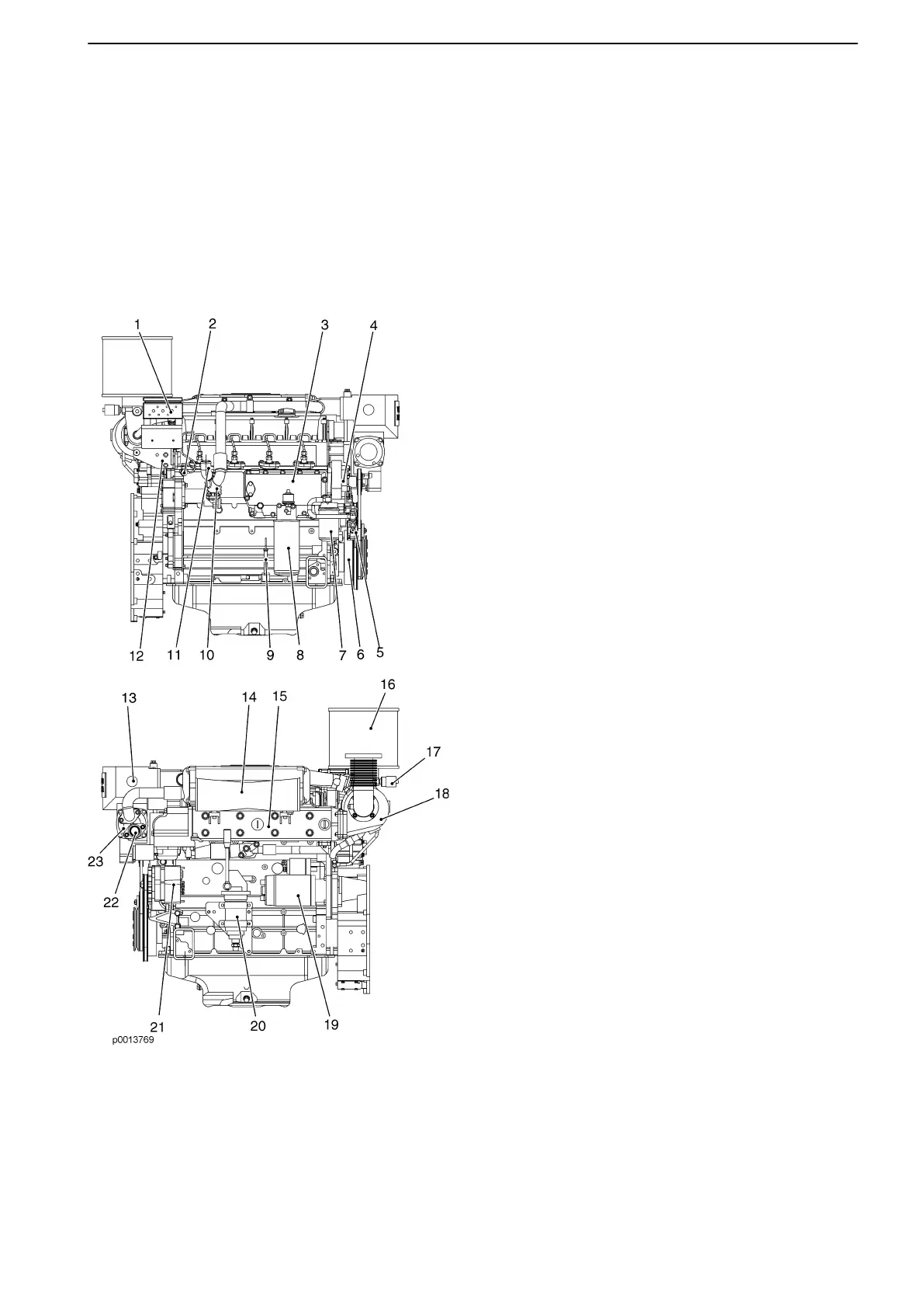
D5A TA HE Genset Engine
The D5A TA HE is a turbocharged, aftercooled, in-line,
direct injection, 4-cylinder, 4-stroke marine diesel
engine.It is equipped with an engine mounted heat
exchanger suitable for seawater cooling or connection
to a central coo-ling system.
An optimal combination of combustion chambers, fuel
injection system, effective turbocharger and charge air
coo-ling, provide excellent fuel consumption over the
whole range of power output.
1 Electrical connection box
2 Fuel return
3 Oil cooler
4 Fresh water pump
5 Fuel pump & Fuel inlet
6 Vibration damper
7 Fuel filter
8 Oil filter
9 Oil dip stick
10 Raw water pump
11 Raw water inlet
12 Governor & Stop solenoid
13 Expansion tank
14 Charge air cooler
15 Exhaust manifold
16 Air filter
17 Air filter indicator
18 Turbocharger
19 Electrical starter
20 Engine oil drain pump
21 Alternator
22 Raw water outlet
23 Heat exchanger
Maintenance
47713337 03-2021 © AB VOLVO PENTA 33

Table of Contents

Related product manuals