EasyManua.ls Logo

Volvo Penta D5A - D7 A T KC Genset Engine

Volvo Penta D5A
116 pages
Print Icon
To Next Page IconTo Next Page
To Next Page IconTo Next Page
To Previous Page IconTo Previous Page
To Previous Page IconTo Previous Page
Loading...
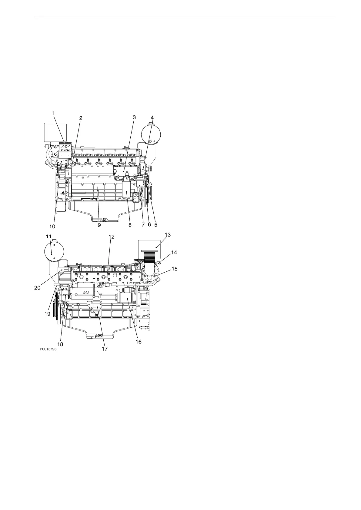
D7A T KC Genset Engine
The D7A T KC is a turbocharged, in-line, direct
injection, 6-cylinder, 4-stroke marine genset engine. It
is fitted withconnections for keel cooling (1-circuit).
An optimal combination of combustion chambers, fuel
injection system, and effective turbocharger, provide
excel-lent fuel consumption over the whole range of
power output.
1 Electrical connection box
2 Fuel return
3 Oil cooler
4 Fresh water pump
5 Fuel pump & fuel inlet
6 Vibration damper
7 Fuel filter
8 Oil filter
9 Oil dip stick
10 Governor & stop solenoid
11 Expansion tank
12 Exhaust manifold
13 Air filter
14 Air filter indicator
15 Turbocharger
16 Electrical starter
17 Engine oil drain pump
18 Alternator
19 Freshwater outlet
20 Fresh water inlet
Maintenance
47713337 03-2021 © AB VOLVO PENTA 47

Table of Contents

Related product manuals