EasyManua.ls Logo

Volvo ECS - Page 144

Volvo ECS
193 pages
Print Icon
To Next Page IconTo Next Page
To Next Page IconTo Next Page
To Previous Page IconTo Previous Page
To Previous Page IconTo Previous Page
Loading...
144
ECS Gen. 2
1
2
3
4 4
4
21
22
23
3
1
56
56
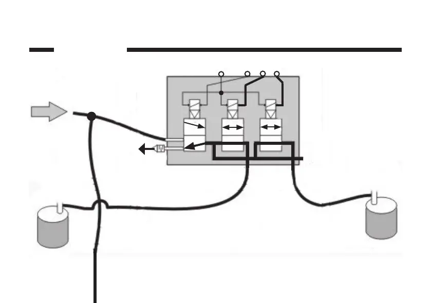
PORT NUMBERS
1. Air supply from wet tank
3. Exhaust
21. To LH drive axle bellows
22. To RH drive axle bellows
23. To front axle
Y25. Solenoid valve - drive axle
Y29. Solenoid valve - trailing/
pusher axle/axle lift
56. Air bellows - drive axle
57. Air bellows - trailing/pusher
axle
58. Air bellows - axle lift
PIN NUMBERS
1. Control
2. Air bellows - trailing/
pusher
3. Air bellows - axle lift
4. Earth
+24+24
Y25

Related product manuals