EasyManua.ls Logo

Volvo ECS - Page 145

Volvo ECS
193 pages
Print Icon
To Next Page IconTo Next Page
To Next Page IconTo Next Page
To Previous Page IconTo Previous Page
To Previous Page IconTo Previous Page
Loading...
145
1
2
3
4 4
4
21
22
23
3
1
57
57
58
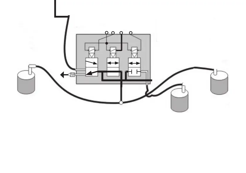
Solenoid valve
blocks - 6x2 or
8x2 - suspension
lower
Note: Illustration
spread across 2
pages
If the driver presses the bogie switch to ʻlowerʼ position,
and/or the ECU receives a ʻlowerʼ signal from a height
sensor, the ECU removes +24V from the control solenoids
in Y25 and Y29 - the air bellows solenoids remain
energised.
Air escapes to atmosphere via ports (3).
+24
PORT NUMBERS
1. Air supply from wet tank
3. Exhaust
21. To LH/RH
trailing/pusher bellows
22. To lift axle bellows
23. Plugged
Y29

Related product manuals