EasyManua.ls Logo

WABCO ESC - X2-Green

WABCO ESC
122 pages
Print Icon
To Next Page IconTo Next Page
To Next Page IconTo Next Page
To Previous Page IconTo Previous Page
To Previous Page IconTo Previous Page
Loading...
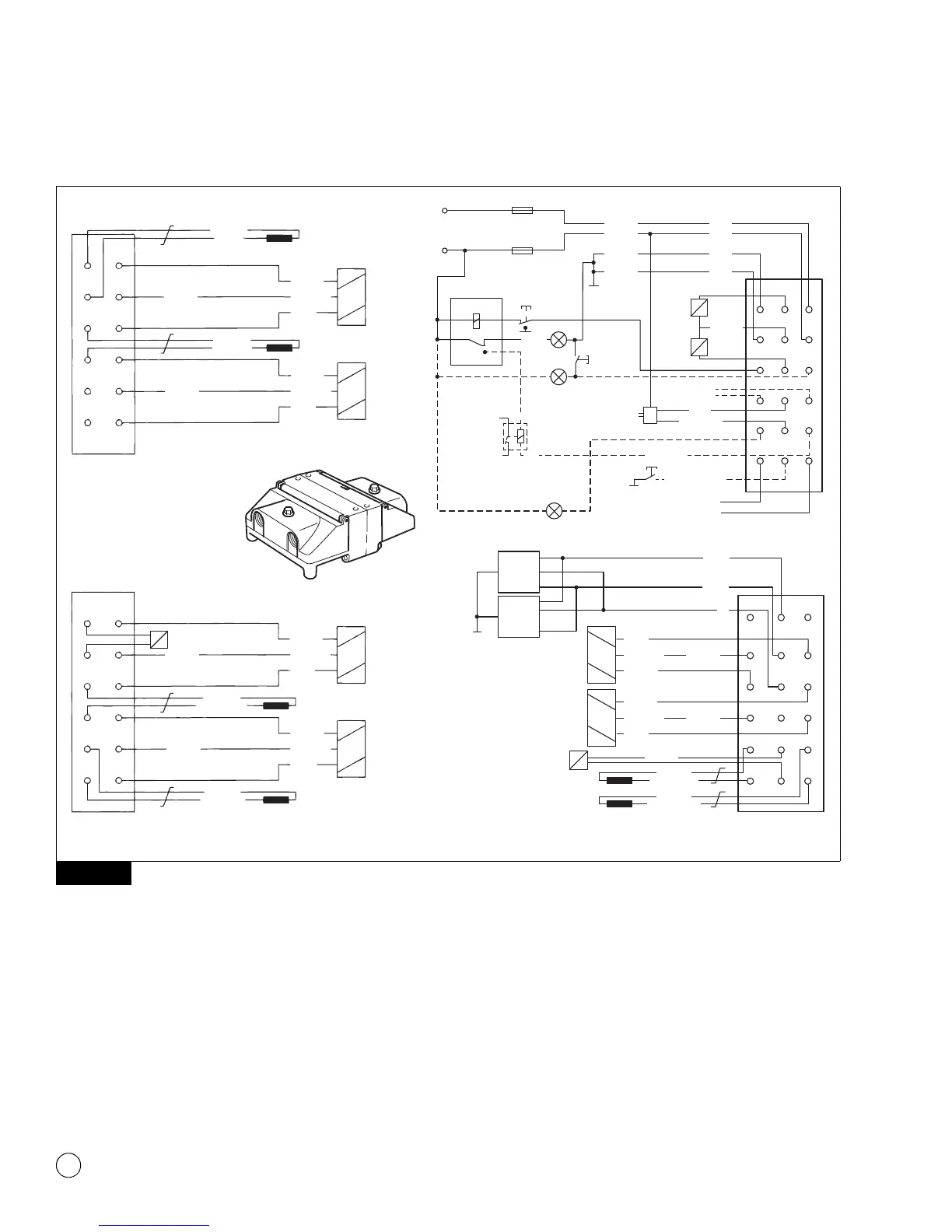
6 Wiring Diagrams and Connectors
62
WABCO Maintenance Manual MM-0112 (Revised 07-18)
6S/6M Frame-mounted ECU with ESC (6S/4M and 4S/4M Configurations are also available)
Figure 6.14
Figure 6.14
X3-GREEN
REAR AXLE
ABV
SENSOR
RIGHT REAR
TP
TP
SENSOR
LEFT REAR
6 7
5 8
4 9
3 10
2 11
1 12
OUTLET
COMMON
INLET
OUTLET
COMMON
INLET
ABS VALVE
RIGHT REAR
ABS VALVE
LEFT REAR
X4-BROWN
(FOR 6 CHANNEL ONLY)
6 7
5 8
4 9
3 10
2 11
1 12
TP
SENSOR
R3RD
OUTLET
COMMON
INLET
ABS VALVE
RIGHT 3RD
(6S/6M ONLY)
(6S/4M AND 6S/6M ONLY)
TP
OUTLET
COMMON
INLET
ABS VALVE
LEFT 3RD
(6S/6M ONLY)
(6S/4M AND 6S/6M ONLY)
SENSOR
LEFT 3RD
X2-GREEN
16 AWG
16 AWG
16 AWG
16 AWG
4010642a
TP
TP
ABS VALVE
RIGHT FRONT
ABS VALVE
LEFT FRONT
16 AWG
16 AWG
FRONT AXLE
ABV
8
9
10
11
12
13
14
15
16
17
18
71
2
3
4
5
6
13
14
15
16
17
18
1
2
3
4
5
6
7
8
9
10
11
12
STEERING
ANGLE
SENSOR
(SAS)
J1939-H
J1587+A
J1587-B
DRIVER’S
BRAKE
DEMAND
TO RETARDER
30
87A
TO RETARDER
TRAILER
ABV
AUX 1
J1939-L
ESC
MODULE
GND
X1-BLACK
GND
15AMP
15AMP
BLINK CODE
SWITCH
BATTERY
+12V
IGN
86
30 87A
87
86
TRAILER WL
85
ATC SWITCH
(OPTIONAL)
ATC/RSC/ESC
LAMP
P
14 AWG
14 AWG
14 AWG
14 AWG
GND
GND
+12V
+12V
LD-GND
ABS OFF-ROAD
SWITCH (OPTIONAL)
RETARDER
PRESSURE
SENSOR SIGNAL
GND
85
ABS
LAMP
SENSOR
LEFT FRONT
LD-GND
SENSOR
RIGHT FRONT
OUTLET
COMMON
INLET
INLET
COMMON
OUTLET
CAN-H
Ub
CAN-L

Table of Contents

Related product manuals