EasyManua.ls Logo

Wacker Neuson HI 110HD D

Wacker Neuson HI 110HD D
70 pages
To Next Page IconTo Next Page
To Next Page IconTo Next Page
To Previous Page IconTo Previous Page
To Previous Page IconTo Previous Page
Loading...
wc_tx003764gb.fm
67
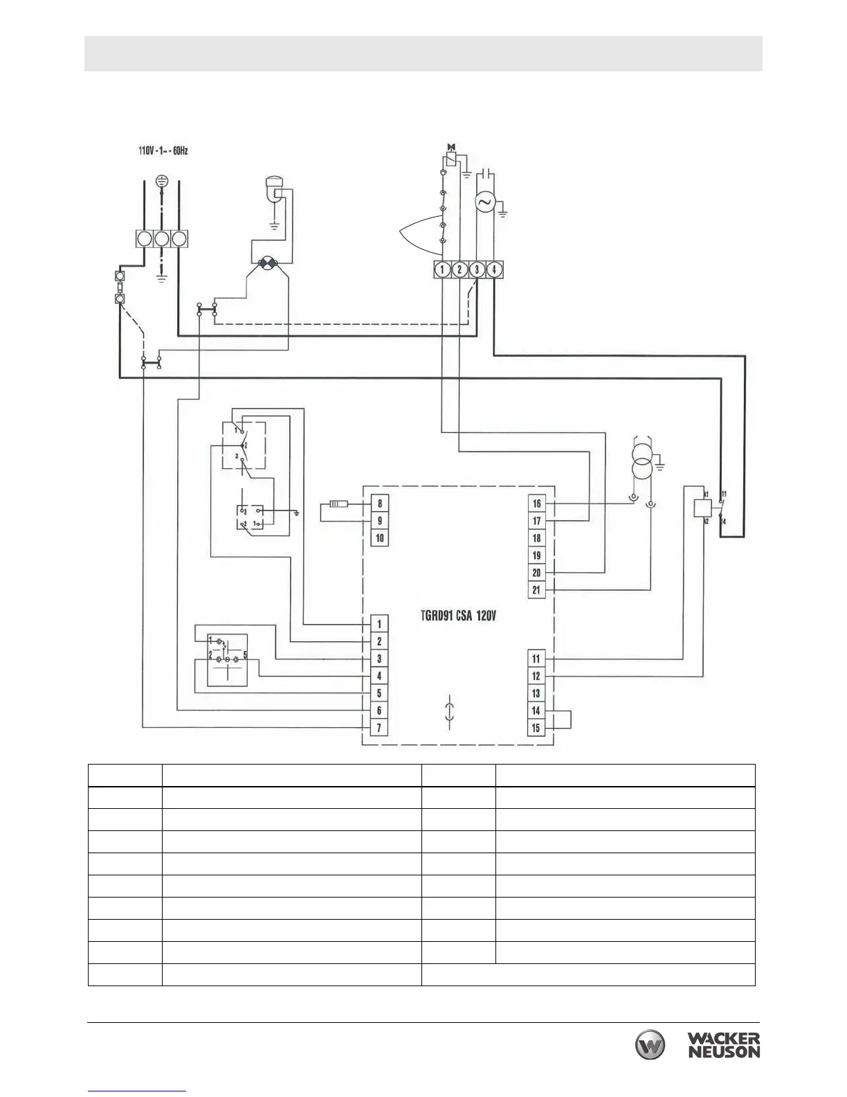
HI 110 / 200 / 300 Schematics
10.4 Electrical Schematic - HI 300 D
13
15
PE
7
3
14
12
1
5
2
11
10
1
4
J1
J4
J3
J2
BK
WH
BK
BK
WH
WH
WH
BK
BK
WH
WH
WH
RD
RD
RD
RD
RD
YL
GY
BU
BK
BK
BK
BK
BR
BK
BU
WH
9
6
8
N
L
wc_gr012020
No. Description No. Description
1 Fuse 10 Room thermostat plug
2 High voltage transformer 11 Relay
3 Overheat thermostat 12 Control box
4 Solenoid valve 13 Heated fuel filter
5 CAD cell 14 Air pressure switch
6 Capacitor 15 Reset switch / lockout indicator
7 Fan motor 16 Resistance heater coil*
8 Electric pilot lamp 17 Nozzle line heater*
9 Control switch *Used on HD models only

Table of Contents

Related product manuals