EasyManua.ls Logo

Wacker Neuson LTS4K - Electrical Schematic

Wacker Neuson LTS4K
84 pages
Print Icon
To Next Page IconTo Next Page
To Next Page IconTo Next Page
To Previous Page IconTo Previous Page
To Previous Page IconTo Previous Page
Loading...
wc_tx004611en.fm
67
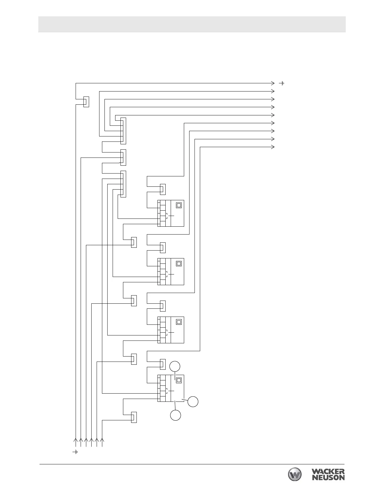
LTS Schematics—LTS8L
12.4 Electrical Schematic
MAIN S
LAMP
Brown
Blu
Blac k G re y
50Hz 60Hz
Basic Plus 66
15566 (73)
D 2
N
N
L
D 1
MAIN S
LAMP
Brown
Blu
Blac k G re y
50Hz 60Hz
Basic Plus 66
15566 (73)
D 2
N
N
L
D 1
MAIN S
LAMP
Brown
Blu
Blac k G re y
50Hz 60Hz
Basic Plus 66
15566 (73)
D 2
N
N
L
D 1
MAIN S
LAMP
Brown
Blu
Blac k G re y
50Hz 60Hz
Basic Plus 66
15566 (73)
D 2
N
N
L
D 1
4
3
2
1
4
3
2
1
N
L4
L3
L2
L1
1
2
3
4
5
6
7
8
L1
L2
L3
L4
N
wc_gr014788
16
17
18

Table of Contents

Related product manuals