EasyManua.ls Logo

WAGNER Leopard 35-150 - Air Motors

WAGNER Leopard 35-150
120 pages
Print Icon
To Next Page IconTo Next Page
To Next Page IconTo Next Page
To Previous Page IconTo Previous Page
To Previous Page IconTo Previous Page
Loading...
Operating manual Piston pump IceBreaker 40-200 ccm (Finishing)
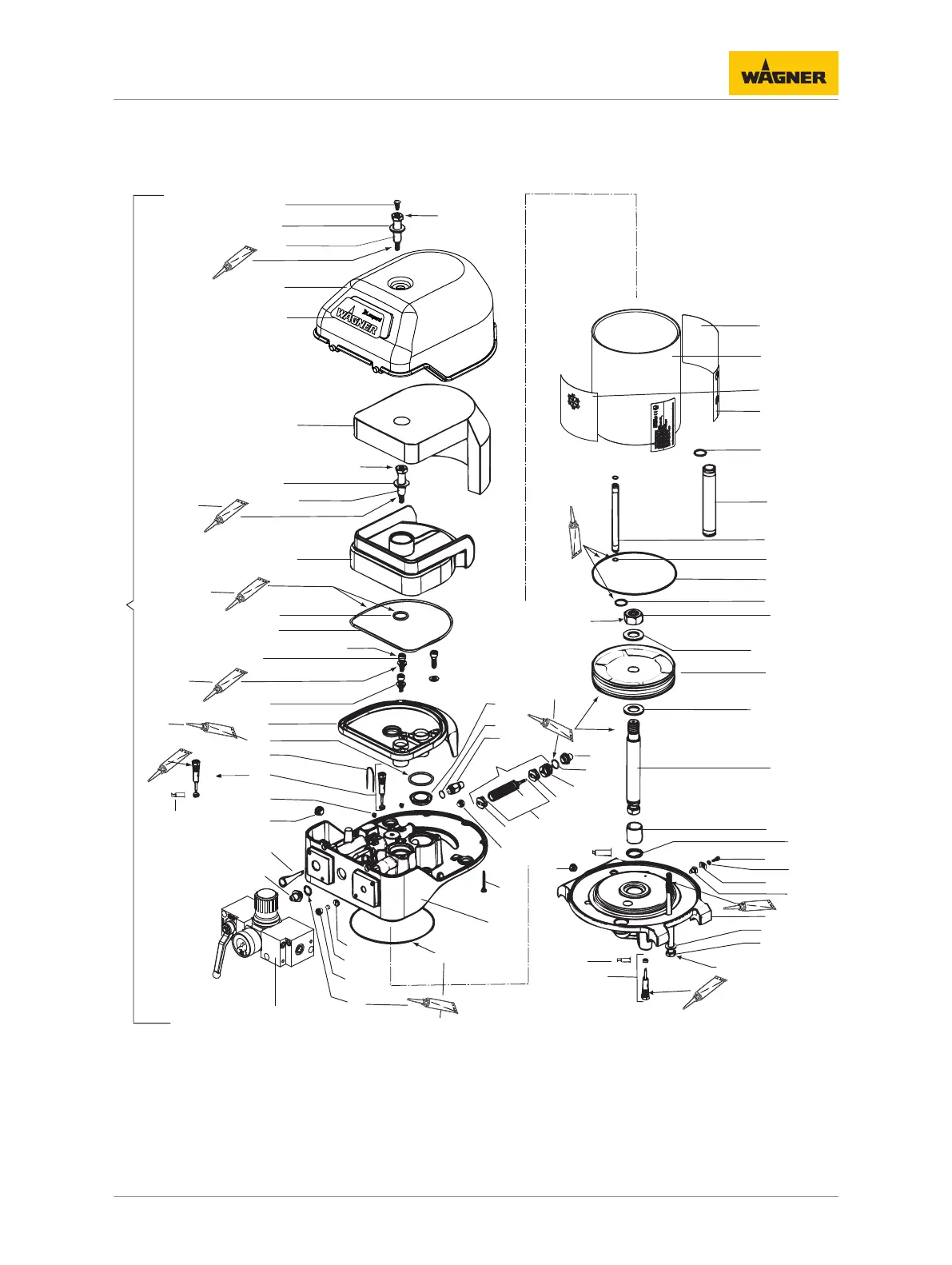
14 Spare Parts
Order number 2333538 | Edition 03/2021 85
14.4 AIR MOTORS
14.4.1 Wildcat Air Motor
14
23
37
8
25
54
48
35
57
8
37
74
75
75
47
31
81
40
30
9
45
44
13
18
69
16
49
12
46
17
16
49
11
42
55
56
10
43
52
50
60
59
61
34
41
5
41
6
39
32
2
3
53a, 53b
33
36
51
36
4
47
15
58
2-3 Nm; appr. 2 lbft
Wildcat / Puma:
55 Nm; 40 lbft
Leopard:
65 Nm; 48 lbft
10-15 Nm;
7-11 lbft
20-25 Nm; 15-19 lbft
28
25 Nm; 19 lbft
29
B_03927
29
30
110
1
110
106
109
106
108
110
110
110
108
109
100
72
71
53b
Pressure regulator (pos. 100): For details, see chapter Wildcat and Puma Air Motor Regulators
[891]
Do not dismount the piston (pos. 81).

Table of Contents

Other manuals for WAGNER Leopard 35-150

Related product manuals