EasyManua.ls Logo

WAM TE - Page 96

Default Icon
195 pages
Print Icon
To Next Page IconTo Next Page
To Next Page IconTo Next Page
To Previous Page IconTo Previous Page
To Previous Page IconTo Previous Page
Loading...
TP
1
CON.109.--.T.4L-NL
05.16
-
-
-
-
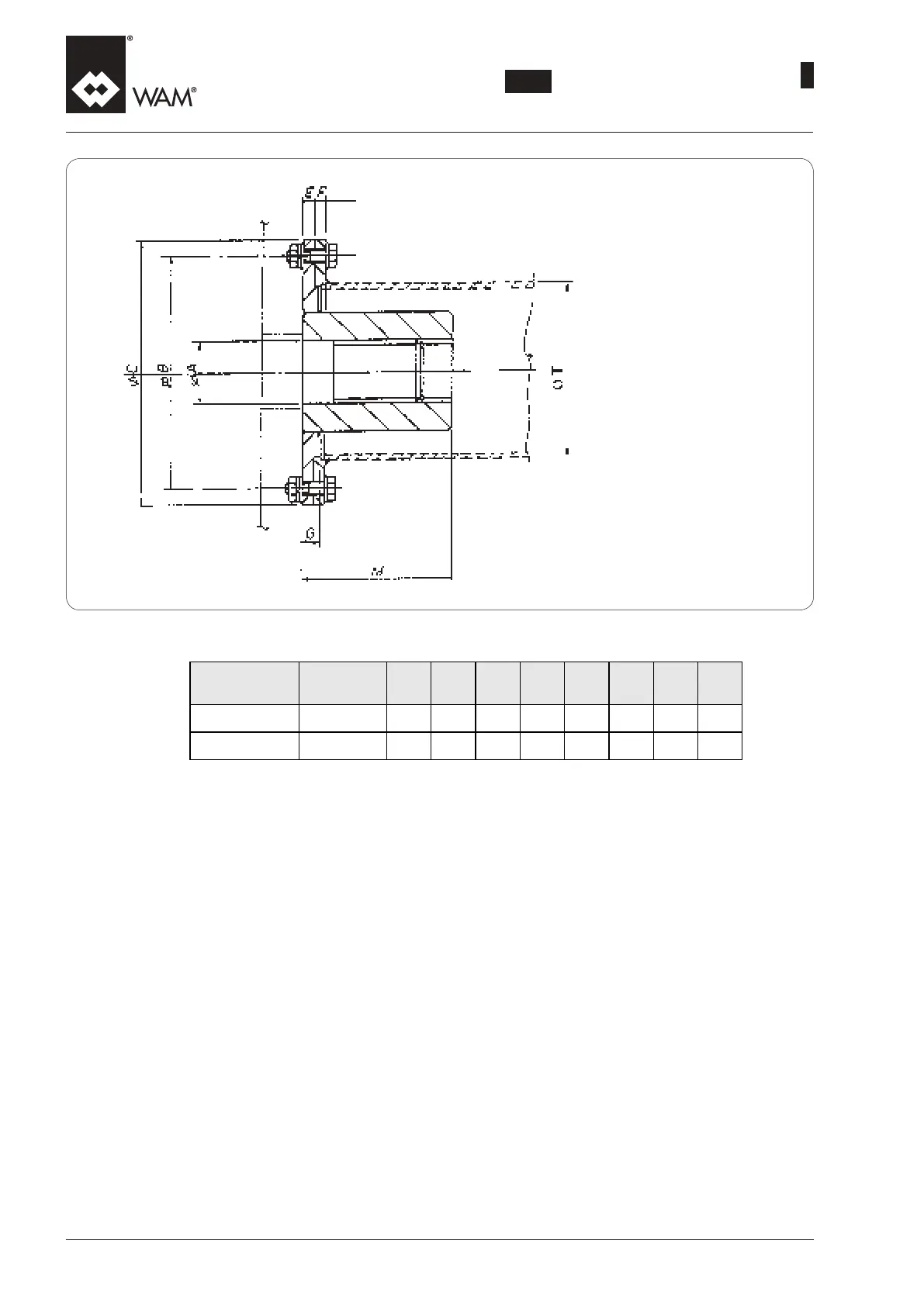
SHAFTCOUPLINGS
WELLENVERBINDUNGEN
ACCOUPLEMENTS
ASKOPPELINGEN
XAQ
Code
øA
DIN5482
øB øC E F G M øT kg
XAQ060T1681
60 x 55 220 250 11 11 18.5 140 168 13.8
XAQ075T1681
75 x 69 220 250 11 11 18.5 140 168 12.4
Flight tube diameter
Durchmesser Rohr mit Wendel
Diamétre tube porte-spire
Vluchtbuis diameter
38

Table of Contents