EasyManua.ls Logo

WAMGROUP MBF - Page 44

Default Icon
187 pages
Print Icon
To Next Page IconTo Next Page
To Next Page IconTo Next Page
To Previous Page IconTo Previous Page
To Previous Page IconTo Previous Page
Loading...
05.14
3
MBF
-
-
-
-
VAL.062.-.R.4L
7
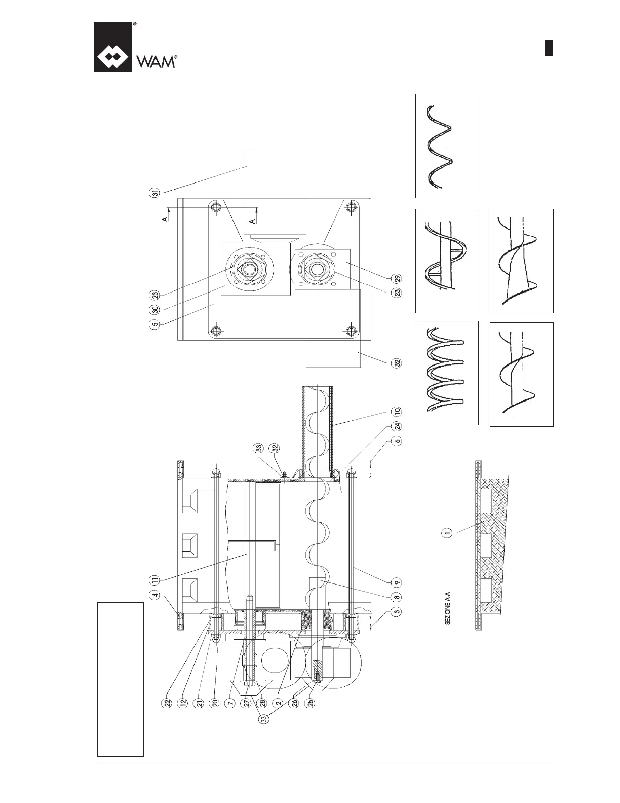
SPARE PARTS
ERSATZTEILE
PIECES DE RECHANGE
RICAMBI
0%)LQ6,17
®
SPARE PARTS SERIES
ERSATZTEILE SERIE
PIECES DE RECHANGE SERIE
RICAMBI SERIE
2-B
1
3
') 5-E

Table of Contents

Related product manuals