EasyManua.ls Logo

WarmFlow Utility U90HE - Page 47

Default Icon
92 pages
Print Icon
To Next Page IconTo Next Page
To Next Page IconTo Next Page
To Previous Page IconTo Previous Page
To Previous Page IconTo Previous Page
Loading...
Page 45
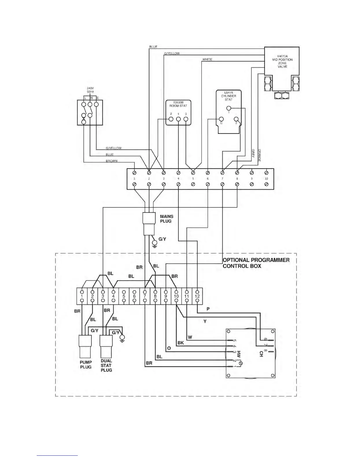
6.6.4 Honeywell ‘Y’ Plan – Independent CH & DHW (Fully Pumped Only)
Note: Before fitting programmer, remove loop between 3 and 12 on the terminal
block.

Table of Contents

Related product manuals