EasyManua.ls Logo

Warn 86766 - Installation; Assemble Plow Lever Arm; Attach Socket Screws to Base; Attach Wear Bar to Blade

Warn 86766
5 pages
Print Icon
To Next Page IconTo Next Page
To Next Page IconTo Next Page
To Previous Page IconTo Previous Page
To Previous Page IconTo Previous Page
Loading...
WARN® INDUSTRIES PAGE 3 86531 Rev A0
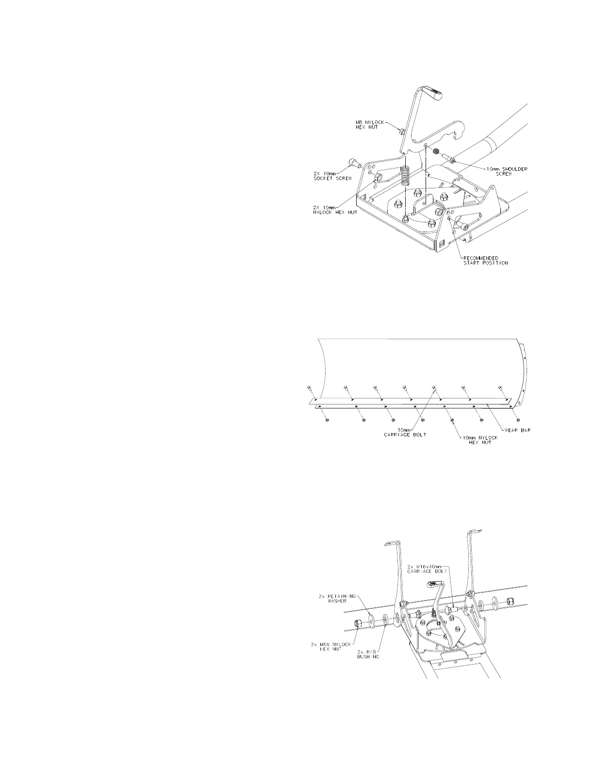
IV. Installation
1. Assemble the plow lever arm per figure 1. Run a
10mm dia shoulder bolt through the lever arm side
and out the center hole in the plow base. Use the
small compression spring between the shoulder
screw and the latch. Terminate with a 8mm dia
lock nut. Tighten until the shoulder screw is firmly
against the plow base. Latch lever should rotate
freely.
2. Attach two socket screws to the side flanges of
the plow base as shown in figure 1. Place the
socket screw in one of the three holes in the side
flange, and place the other socket screw in the
same location on the opposite side. Terminate
with a 10mm dia lock nut.
NOTE: It is recommended to first place the socket
screw in the middle-lower hole in the side
flange of the plow base. Use the hole closest
to the blade for less plow undercut, and the
hole furthest from the plow blade for more
plow undercut.
3. Attach the wear bar to the plow blade as shown in
figure 2. Place 10mm dia carriage bolts through
each of the square holes in the wear bar, and
through their respective holes on the blade.
Terminate with a 10mm dia lock nut.
4. Attach the plow blade to the plow base as shown
in figure 3. Run a 16mm dia carriage bolt through
the large retainer washer, rib bushing, then
through the plow blade and base. The rib bushing
should rest inside the large hole in the side of the
plow. Terminate with a 16mm dia lock nut. Back
off the torque if the plow blade doesn’t rotate
freely around the plow base.
Figure 1 Assemble Plow Lever
Figure 2 Assemble Wear Bar to Blade
Figure 3 Attach Blade to Tube Base

Related product manuals