EasyManua.ls Logo

Watson-Marlow 620DuN - Trim

Watson-Marlow 620DuN
112 pages
Print Icon
To Next Page IconTo Next Page
To Next Page IconTo Next Page
To Previous Page IconTo Previous Page
To Previous Page IconTo Previous Page
Loading...
Watson-Marlow 620DuN and 620Du User Manual 32
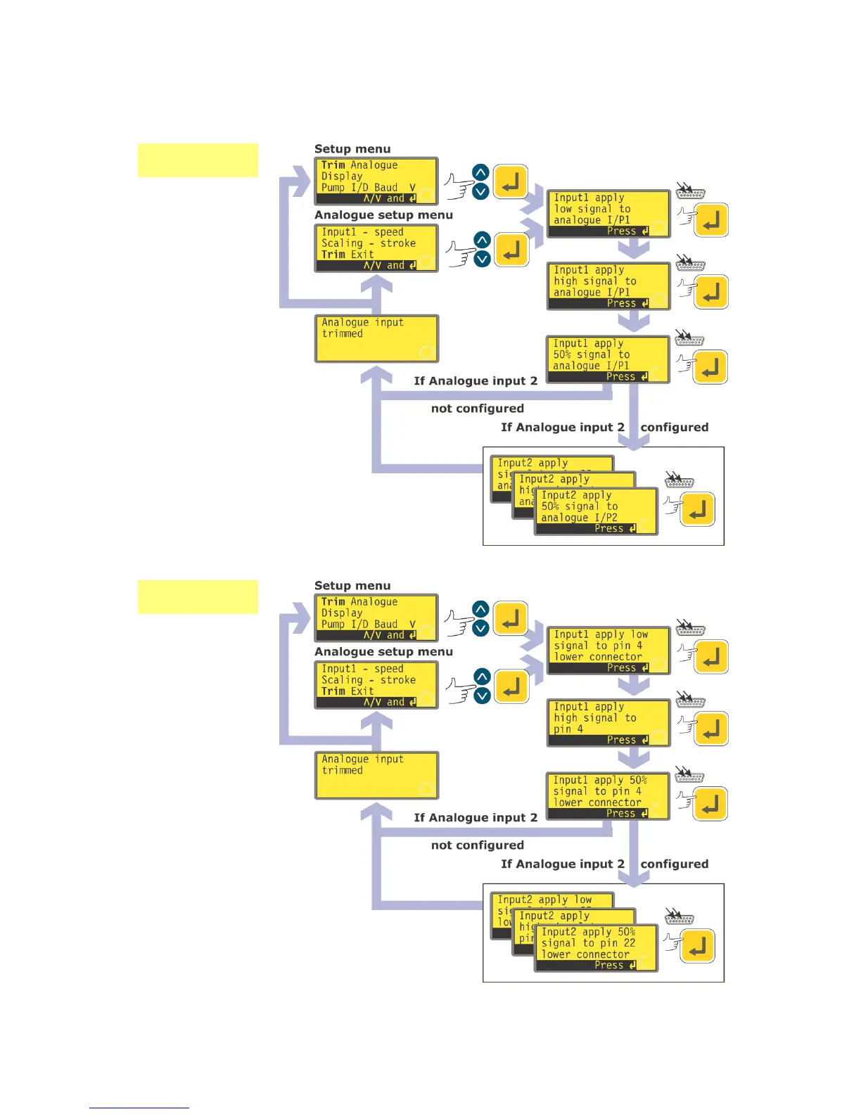
18.1 Trim
DuN
Du

Table of Contents

Related product manuals