EasyManua.ls Logo

Webasto Scholastic Series - Scholastic Series Heater Dimensions; Scholastic Series Heater Dimensions (Millimeters)

Webasto Scholastic Series
44 pages
Print Icon
To Next Page IconTo Next Page
To Next Page IconTo Next Page
To Previous Page IconTo Previous Page
To Previous Page IconTo Previous Page
Loading...
4TECHNICAL DATA
W
EBASTO
S
CHOLASTIC
S
ERIES
4-2
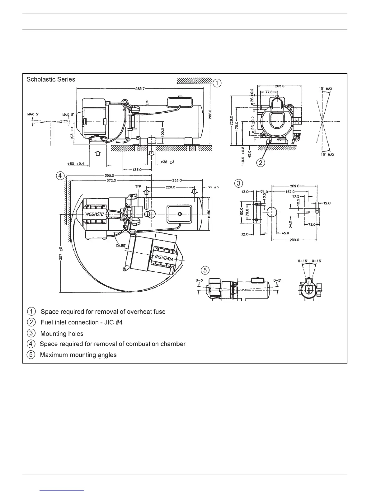
4.1.1 Scholastic Series Heater Dimensions
Fig. 4-1: Scholastic Series Heater Dimensions (Millimeters)

Table of Contents

Related product manuals