EasyManua.ls Logo

Webasto Scholastic Series - Heater Wiring Diagrams

Webasto Scholastic Series
44 pages
Print Icon
To Next Page IconTo Next Page
To Next Page IconTo Next Page
To Previous Page IconTo Previous Page
To Previous Page IconTo Previous Page
Loading...
5INSTALLATION
W
EBASTO
S
CHOLASTIC
S
ERIES
5-12
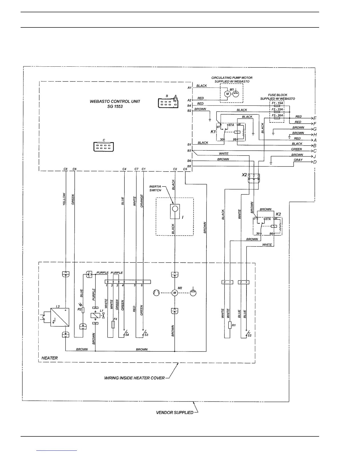
5.8.5 Wiring Diagram Scholastic Series Heater
Fig. 5-12: Wiring Diagram - Scholastic Series Heater

Table of Contents

Related product manuals