EasyManua.ls Logo

Webasto Scholastic Series - Tray Mount Dimensions; Tray Mount Dimensions (Inches)

Webasto Scholastic Series
44 pages
Print Icon
To Next Page IconTo Next Page
To Next Page IconTo Next Page
To Previous Page IconTo Previous Page
To Previous Page IconTo Previous Page
Loading...
4TECHNICAL DATA
W
EBASTO
S
CHOLASTIC
S
ERIES
4-4
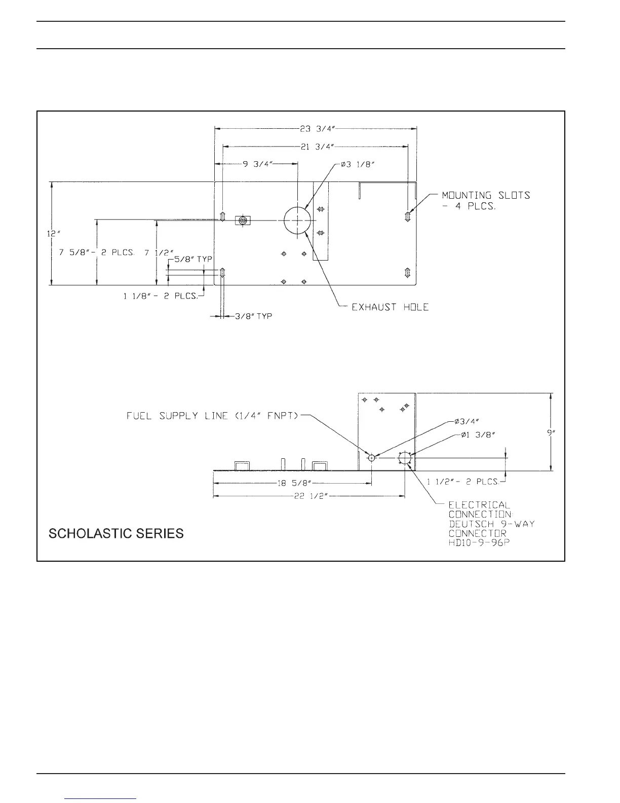
4.3 Tray Mount Dimensions
Fig. 4-3: Tray Mount Dimensions (Inches)

Table of Contents

Related product manuals