EasyManua.ls Logo

Webasto Scholastic Series - Coolant Circulation Pump Data; Coolant Circulation Pump Dimensions; Coolant Circulating Pump Assembly (P.N. 906017) Dimensions (Inches)

Webasto Scholastic Series
44 pages
Print Icon
To Next Page IconTo Next Page
To Next Page IconTo Next Page
To Previous Page IconTo Previous Page
To Previous Page IconTo Previous Page
Loading...
W
EBASTO
S
CHOLASTIC
S
ERIES
4TECHNICAL DATA
4-3
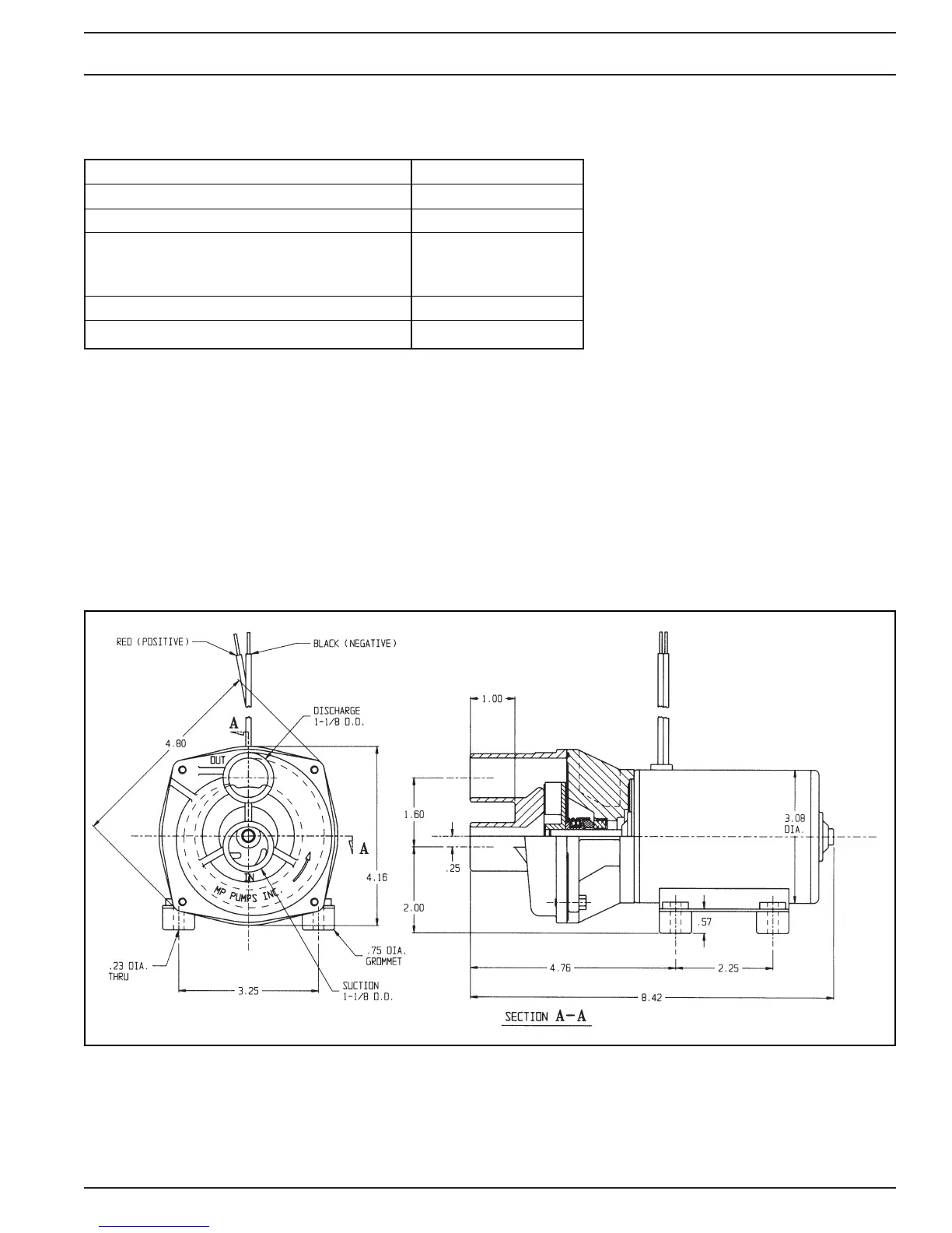
4.2 Coolant Circulation Pump Data
Flow Rate l/hr (US gal/min) 3406 - 4542 (15 - 20)
Rated Voltage (V) 10 - 14
Power Consumption (W) 72
Dimensions L 214 (8.42)
W 106 (4.16)
mm (inch) H 106 (4.16)
Weight kg (lb.) 2.5 (5.5)
Hose connection mm (inch) OD. 28.5mm (1-1/8)
Table 4-2: Coolant Circulation Pump Data
4.2.1 Coolant Circulating Pump Dimensions
Fig. 4-2: Coolant Circulating Pump Assembly (P.N. 906017) Dimensions (Inches)

Table of Contents