EasyManua.ls Logo

Webasto Thermo Top Evo 5+ - Fan Control

Webasto Thermo Top Evo 5+
38 pages
Print Icon
To Next Page IconTo Next Page
To Next Page IconTo Next Page
To Previous Page IconTo Previous Page
To Previous Page IconTo Previous Page
Loading...
Mercedes Benz C-Class S204, W204, C204 / GLK-Class X204
Ident. No.: 1315959G_EN Status: 31.01.2013 © Webasto Thermo & Comfort SE
9
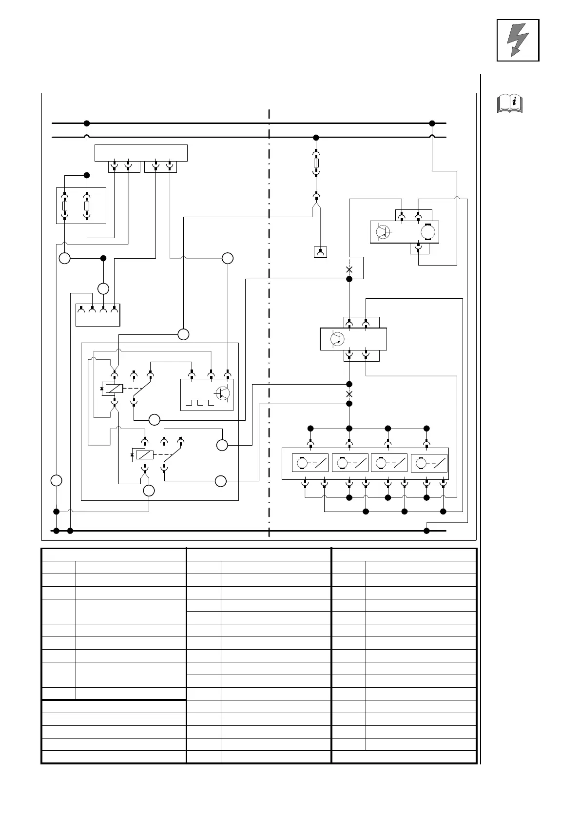
Fan Control
Wiring dia-
gram
Webasto components Vehicle components Colours and symbols
Legend
HG TT-Evo heater GE Fan unit rt red
X1 6-pin heater connector KB A/C control panel ws white
X2 2-pin heater connector A Socket outlet/lighter sw black
X10 4-pin connector
Heater control
B Flap positioning module bl blue
F fuse ge yellow
K1 Fan relay ST 4 Connector, 4-pin, KB br brown
K2 Additional relay gn green
F1 Fuse, 20A
F2 30A fuse replaced with
1A.
IPCU Pulse width modulator
IPCU adjustment values:
Duty cycle: 56-62%
Frequency: 400Hz
Voltage: 3.0V X Cutting point
Function: High-side Wiring colours may vary.
Webasto
31
30
15
Mercedes
HG
X2
1 2
X1
52
F2 F1
gn/ws
0,75²
ge
0,5²
rt/sw
0,5²
rt
br
0,5²
X10
86
85 30
87a87
K1
br
4
bl
A
IPCU
85 86
br
86
85 30
87a87
K2
2
bl
sw
rt
rt
0,5²
1
sw
0,5²
3
6
rt/ge
F
A
br
0,5²
br
rt/ge
KB
St 4
4 1
St 4
3 2
2 1
GE
M
4
rt
rt
LIN-Bus
Kl.31
ws
ws
M M M
M
B
5
7
8
9

Related product manuals